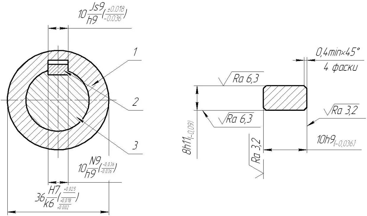
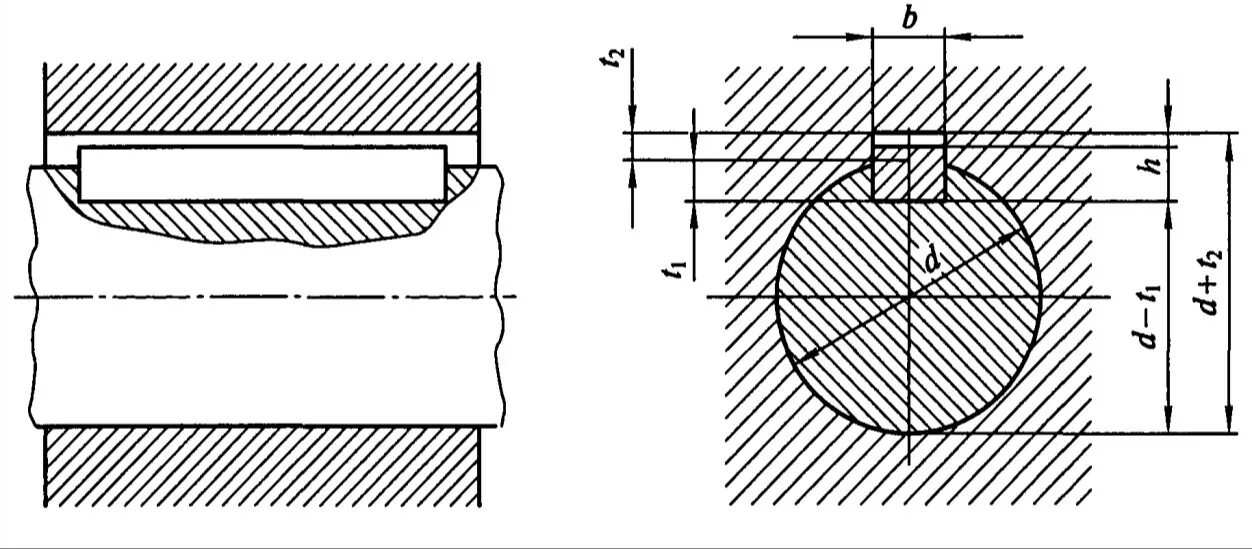
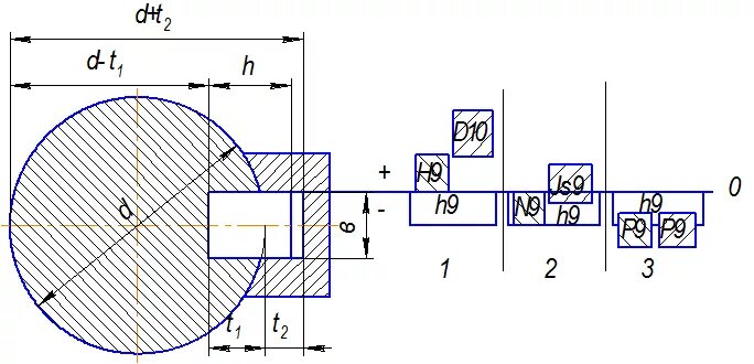
Посадка шпонки