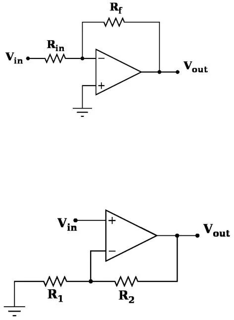
Повторитель напряжения на операционном усилителе