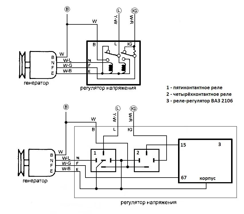
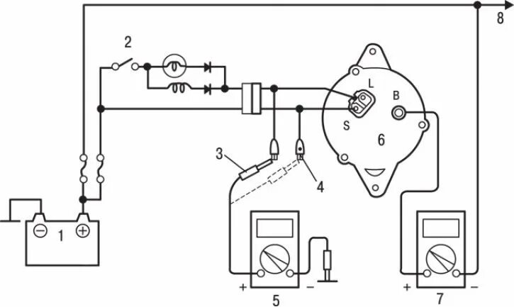
Распиновка регулятора напряжения генератора