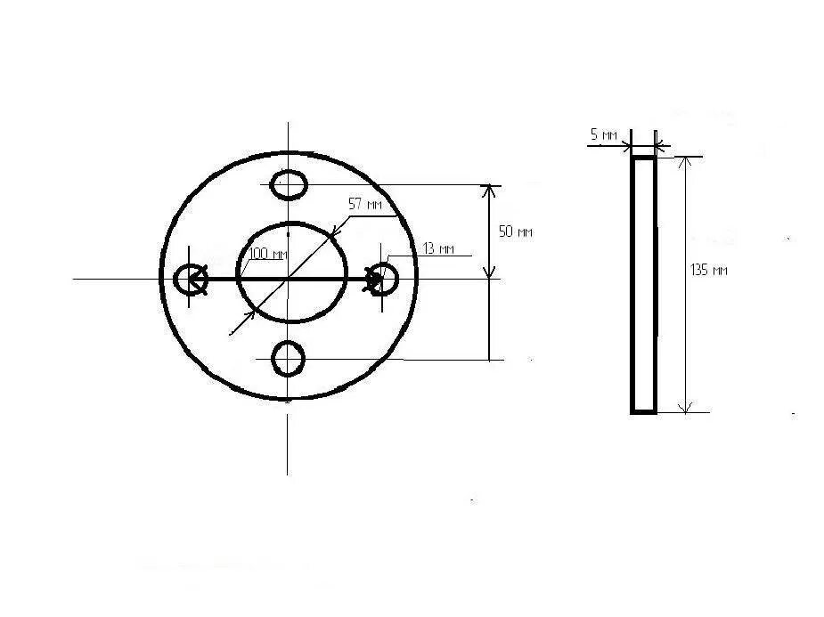
Размеры дисков для мотоблока