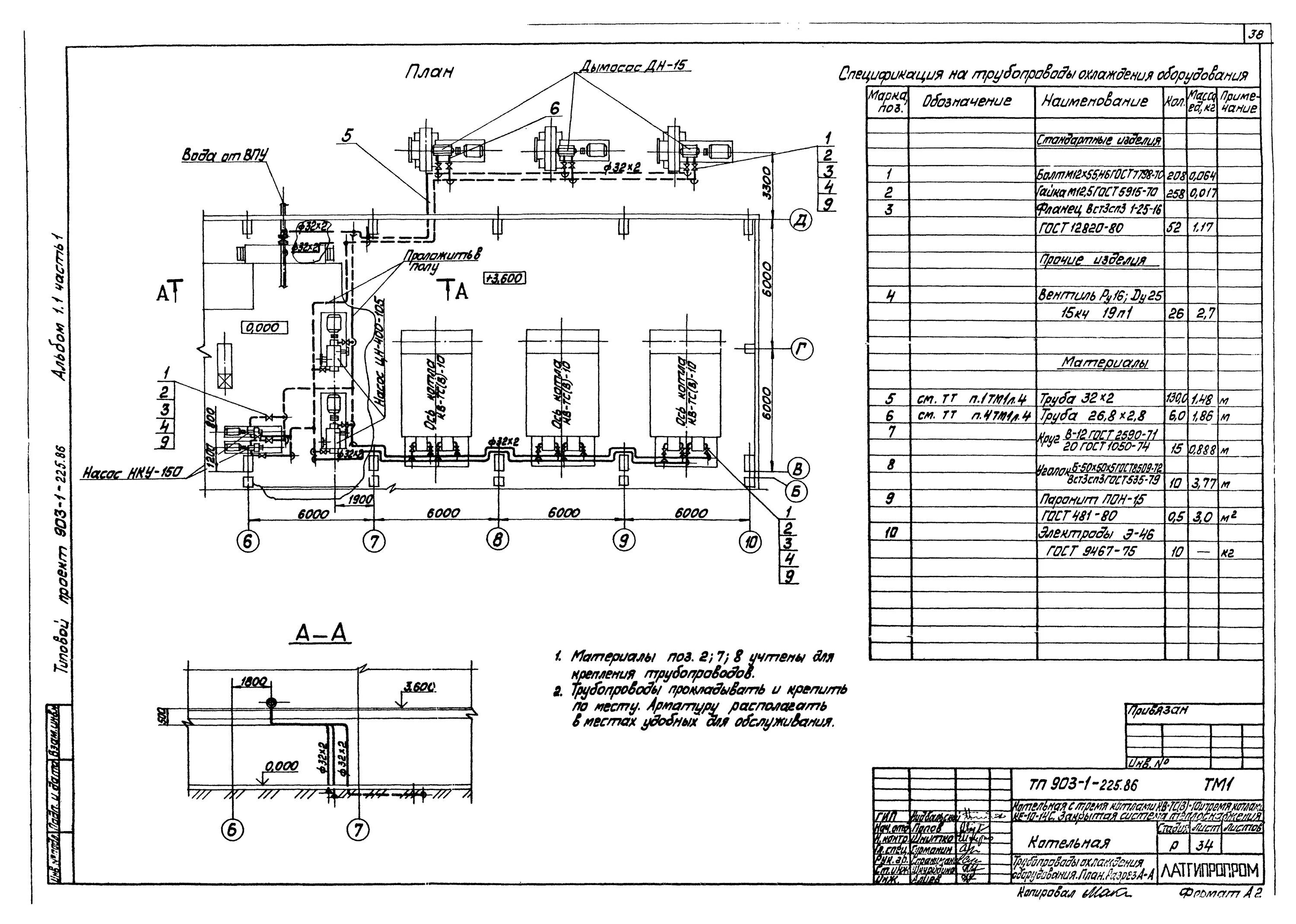
Разработка проектной документации котельную