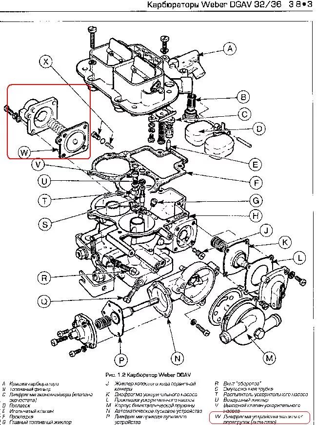
Регулировка карбюратора двигателя 2