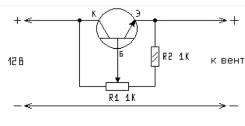
Регулировка скорости вращения вентилятора