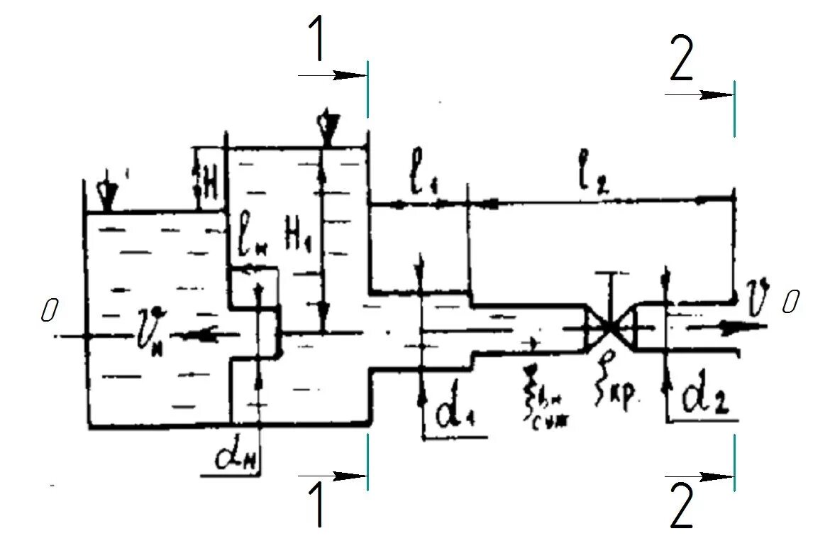
Резервуар водонапорной башни наполняется за 4 часа