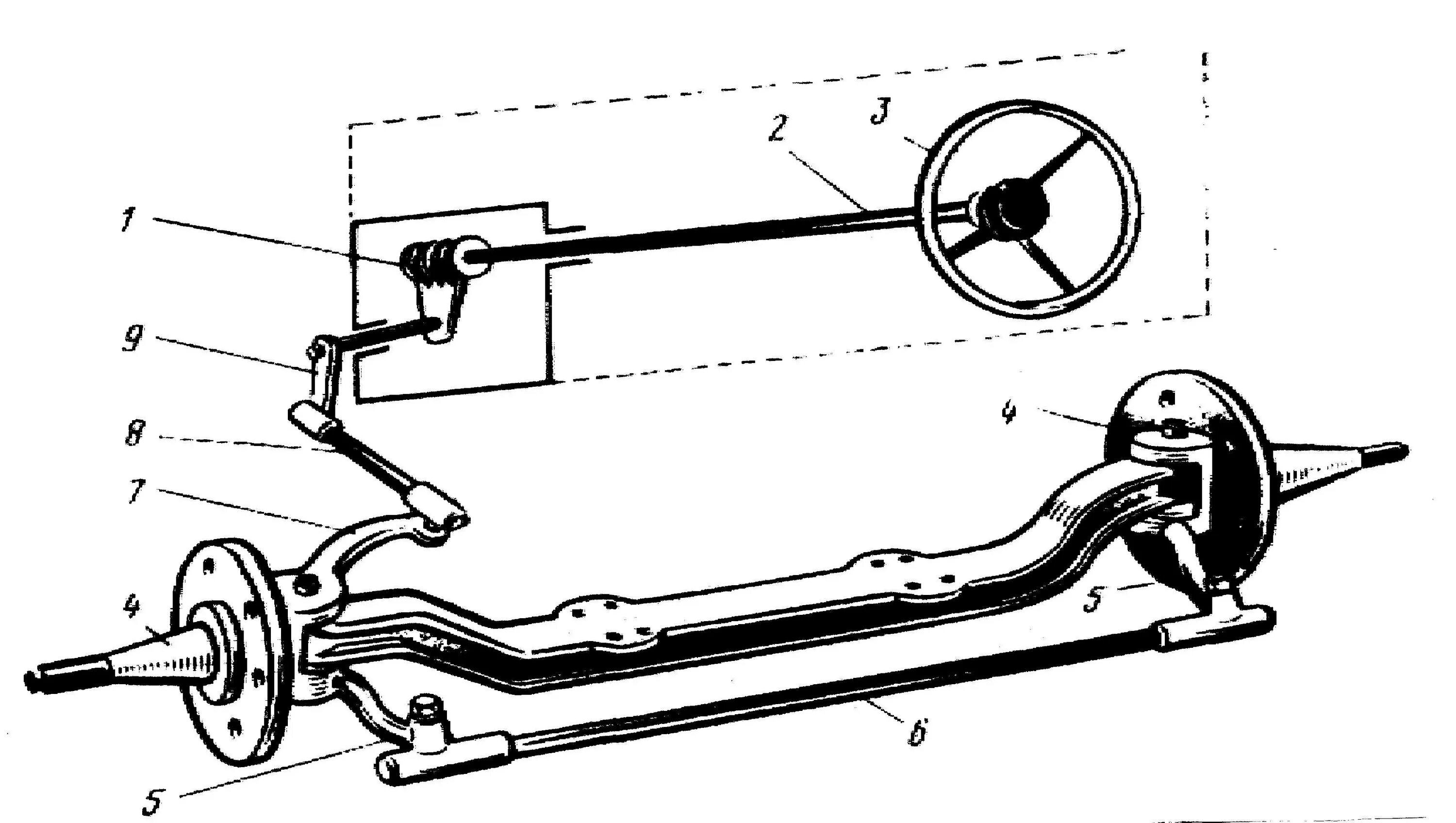
Рулевое управление переднего адаптера