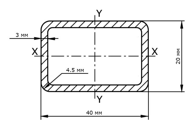
Сечение профтрубы