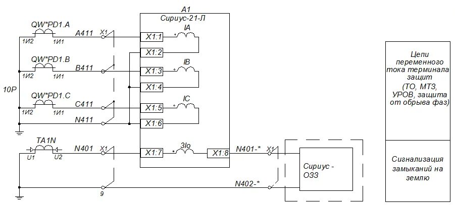
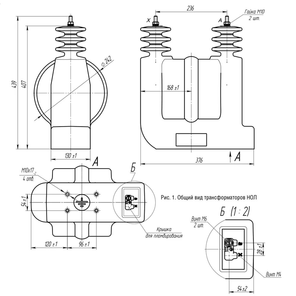
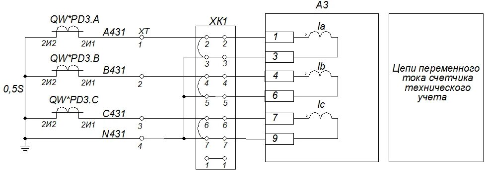
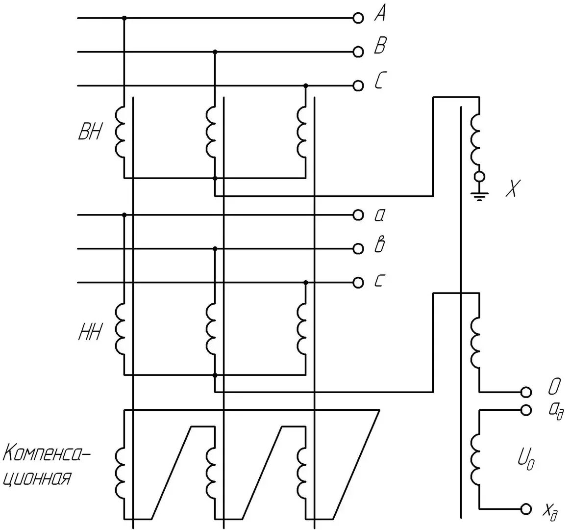
Схема 10 кв трансформатор