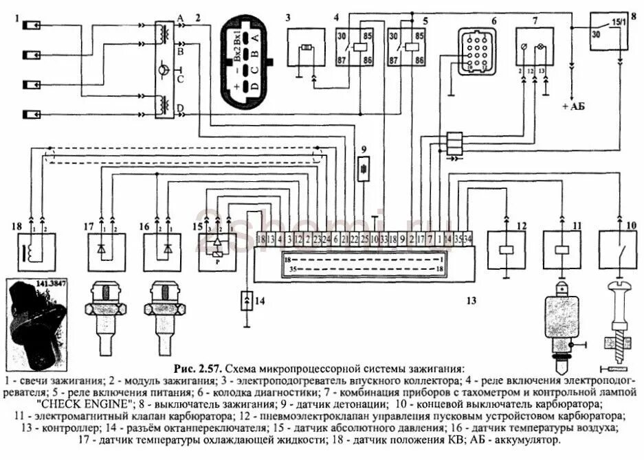
Схема 2112 инжектор 16 клапанов