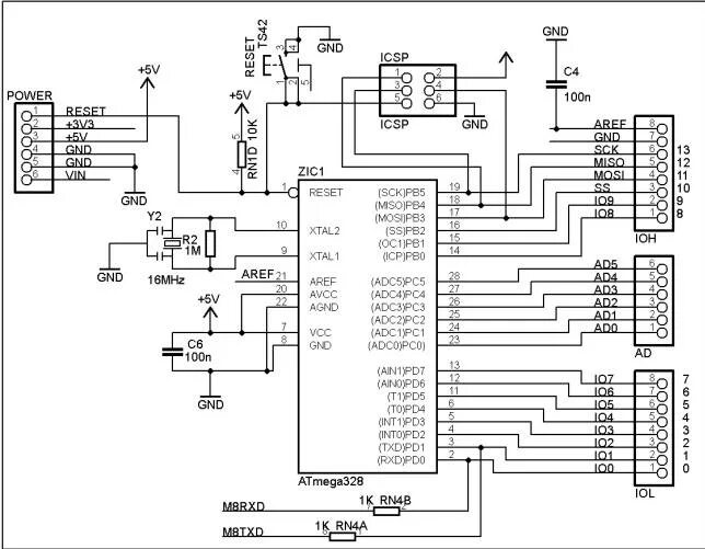
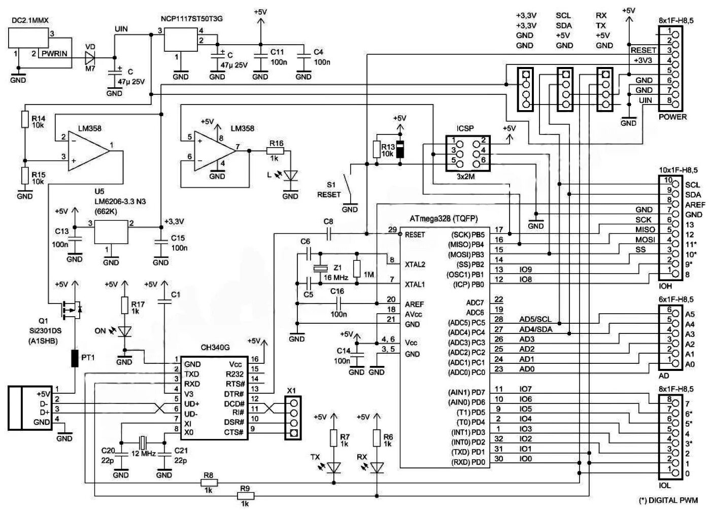
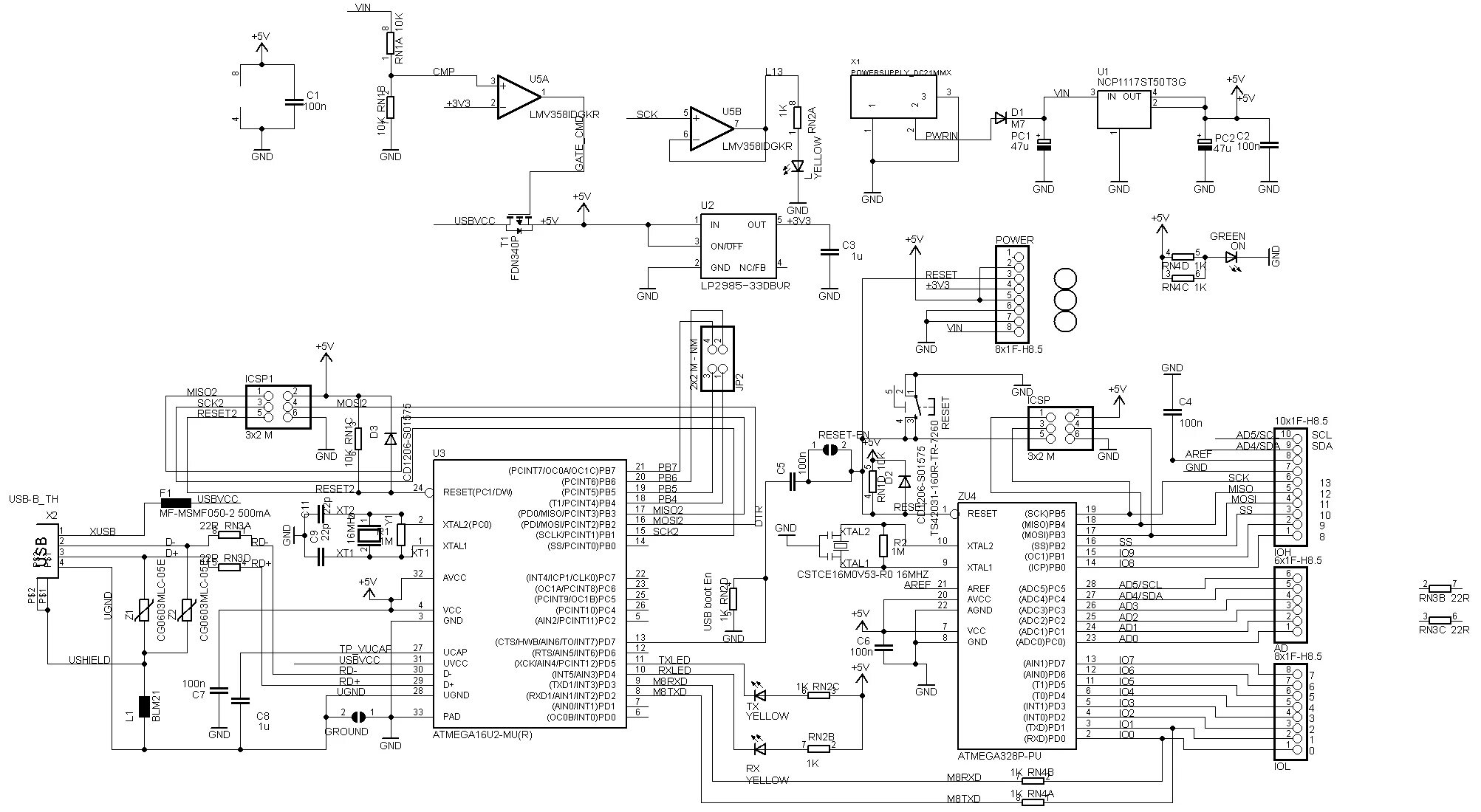
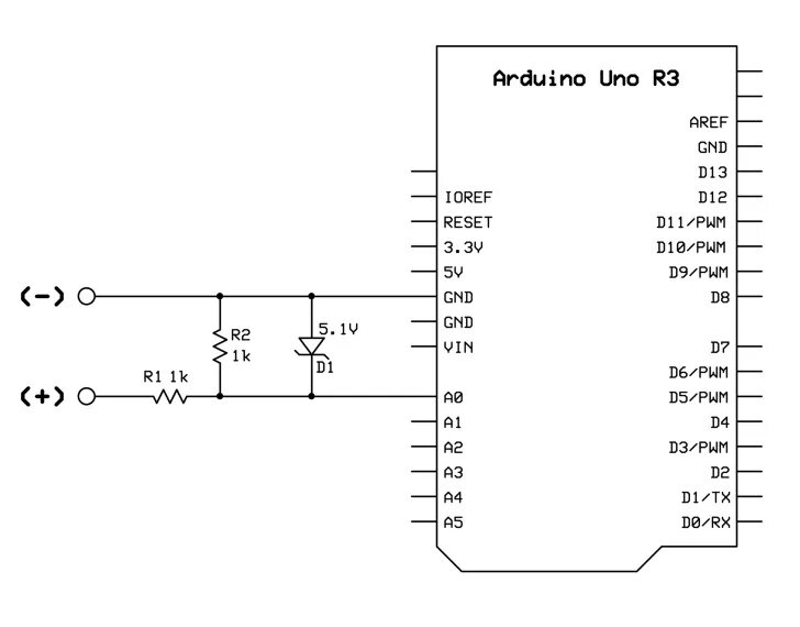
Схема ардуино уно