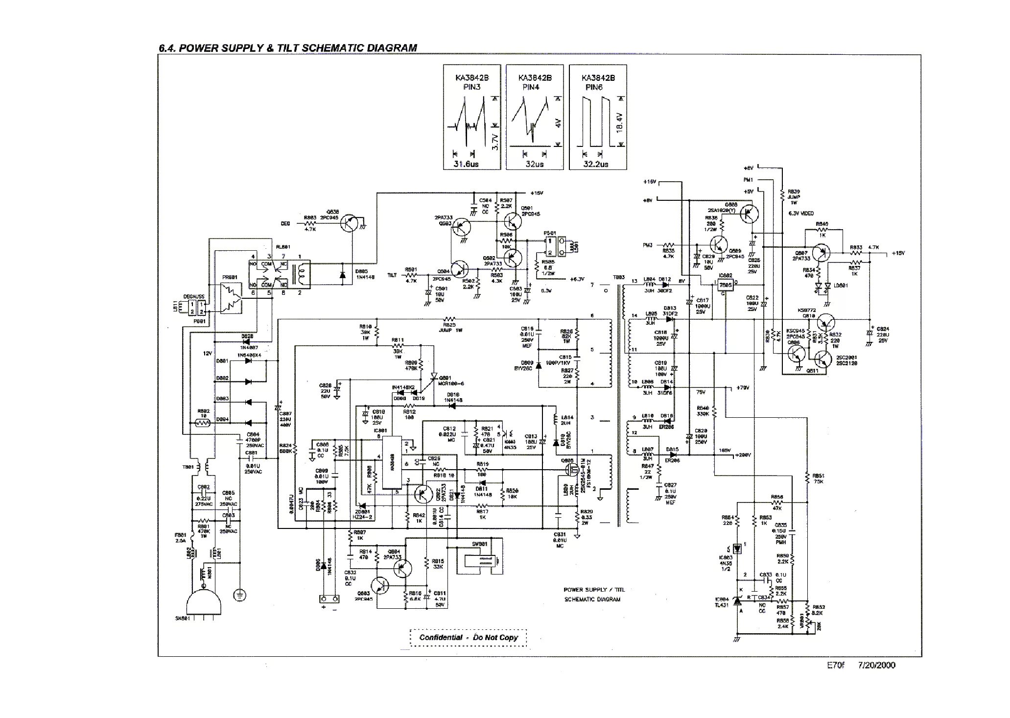
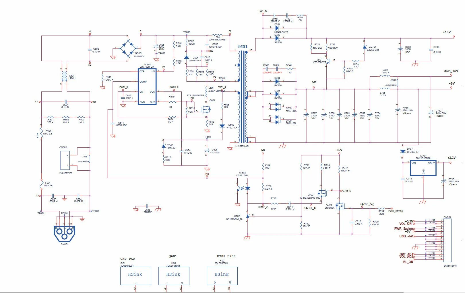
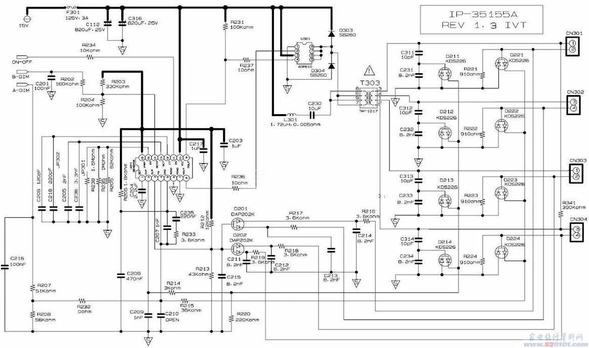
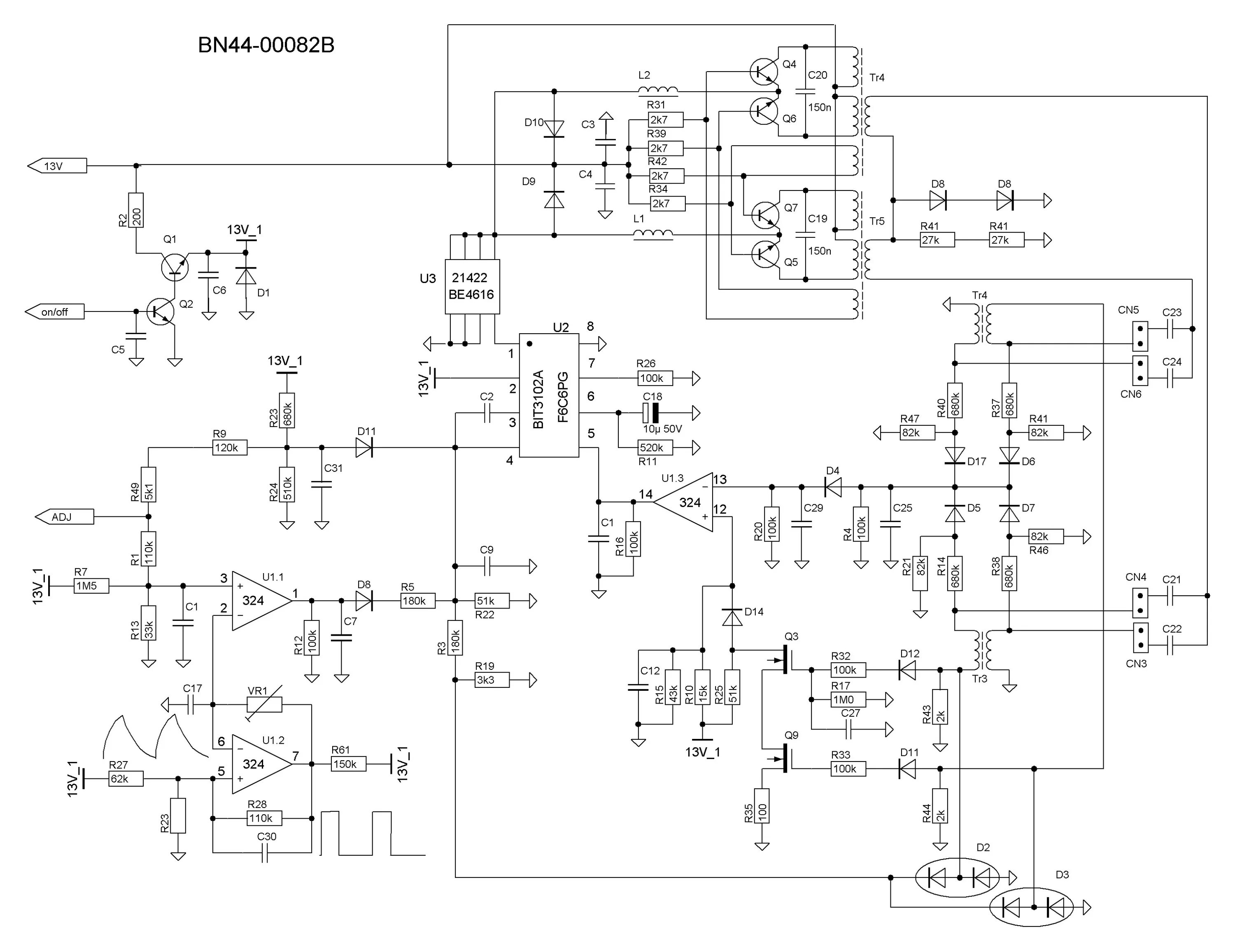
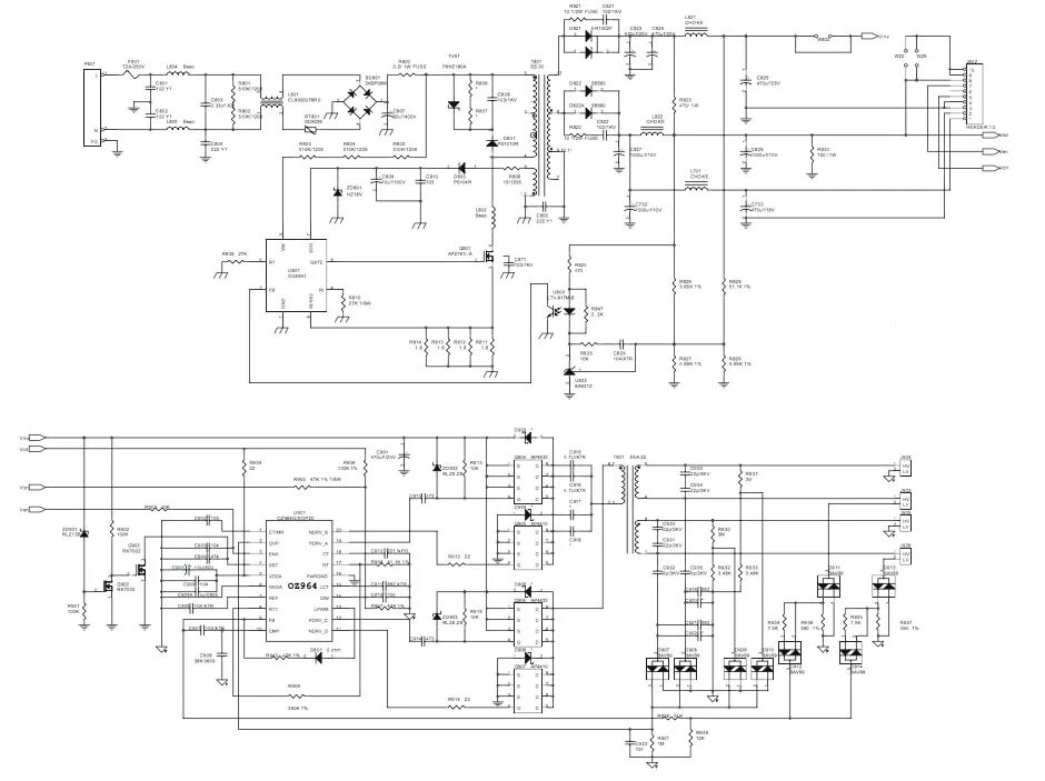
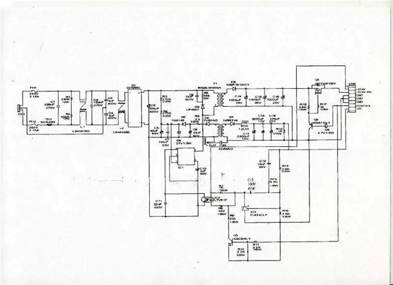
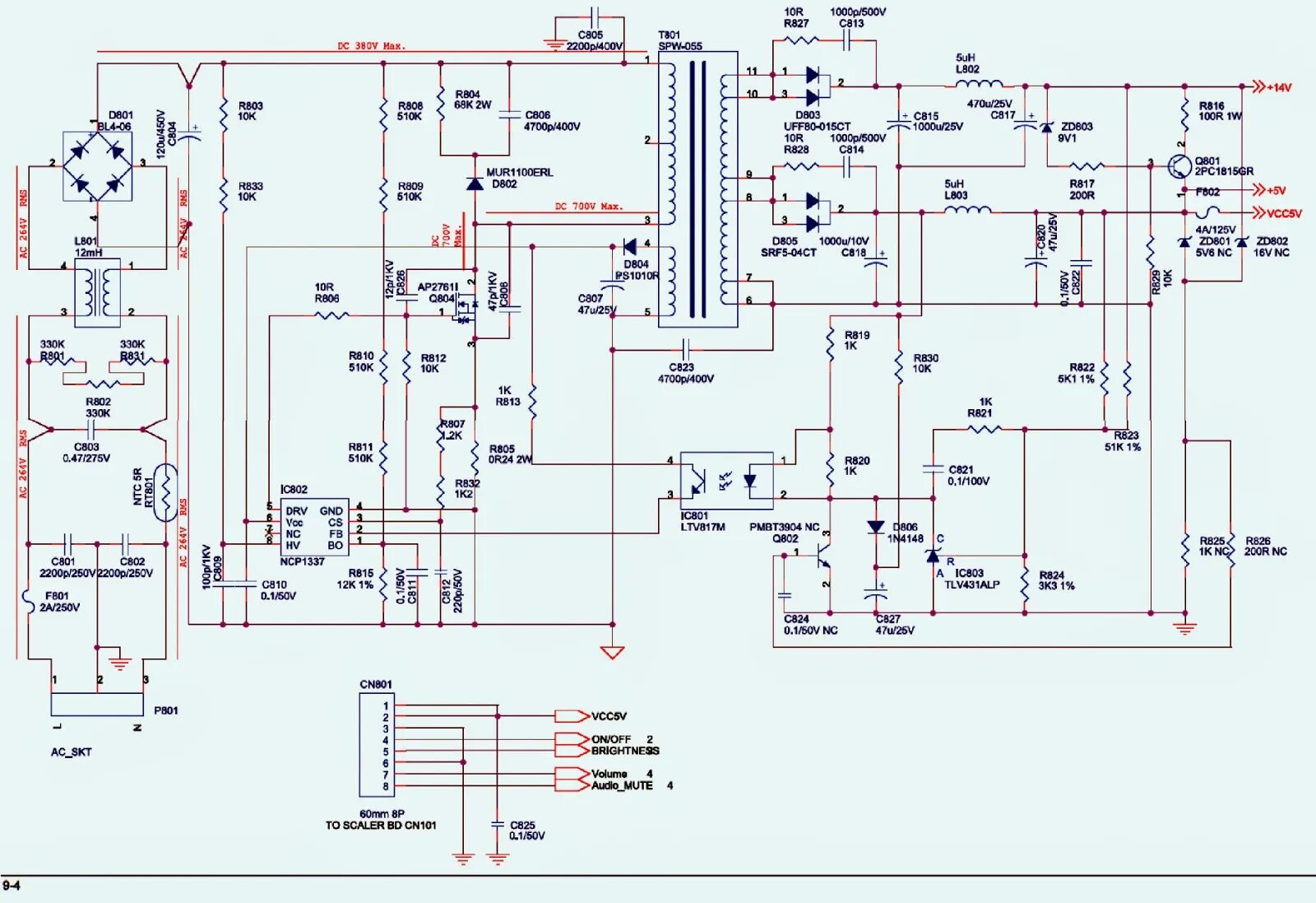
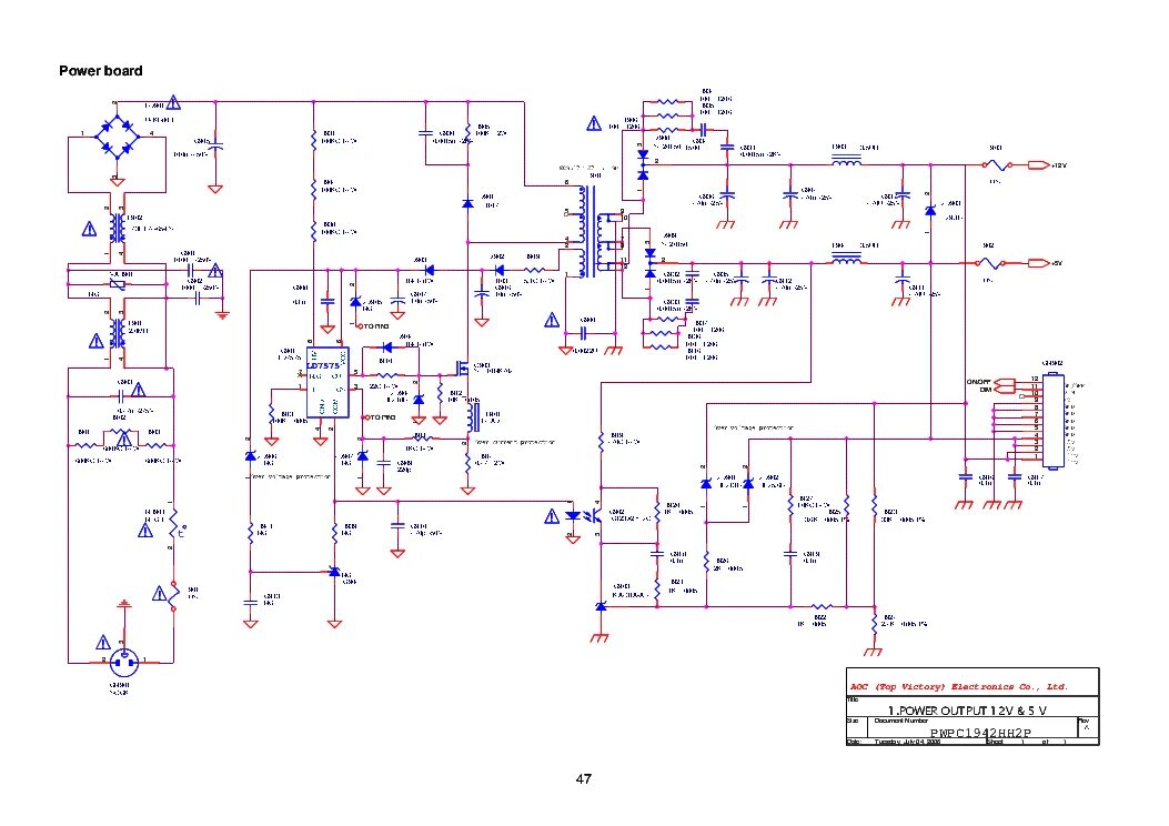
Схема блока питания монитора