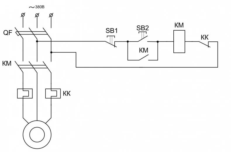
Схема подключения реверсивного двигателя