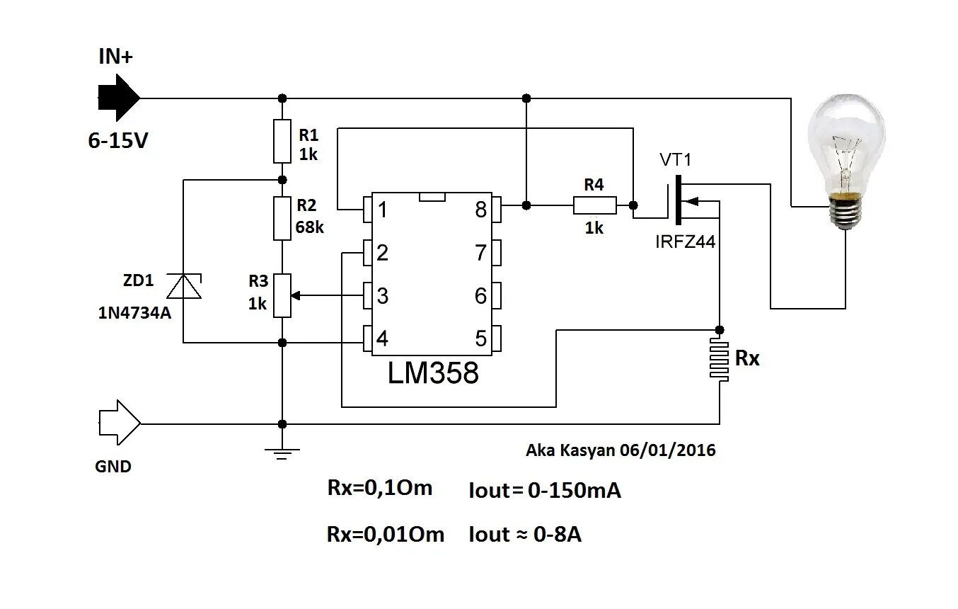
Схема регулировки напряжения зарядного устройства