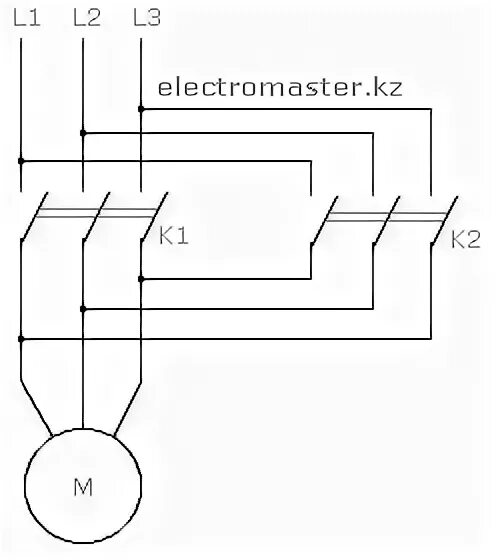
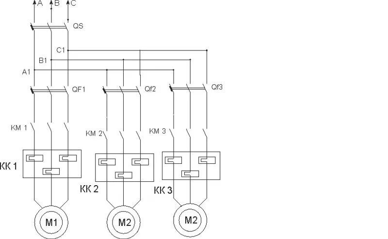
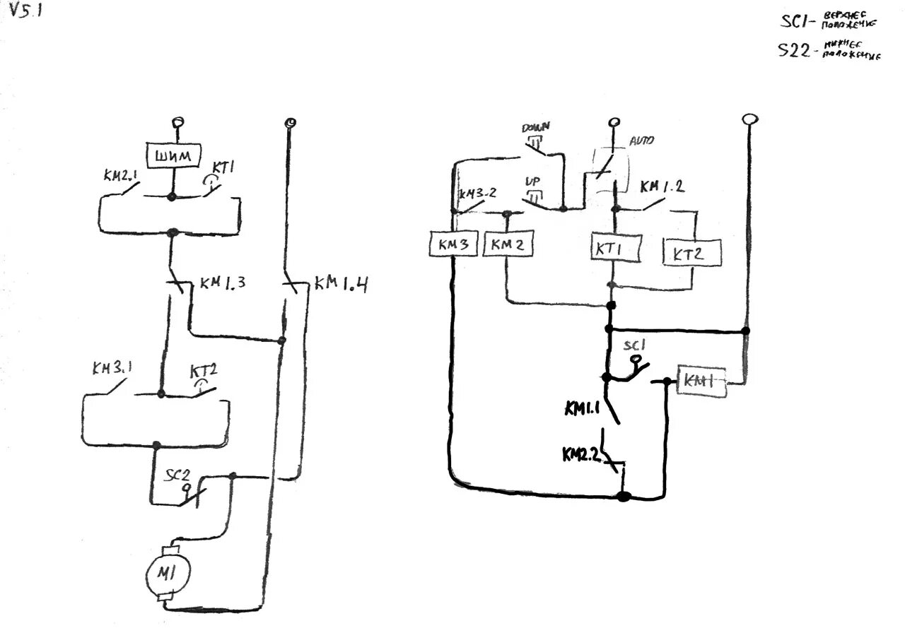
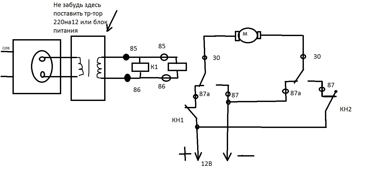
Схема реверсивного переключателя