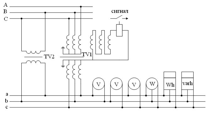
Схема включения трансформатора напряжения