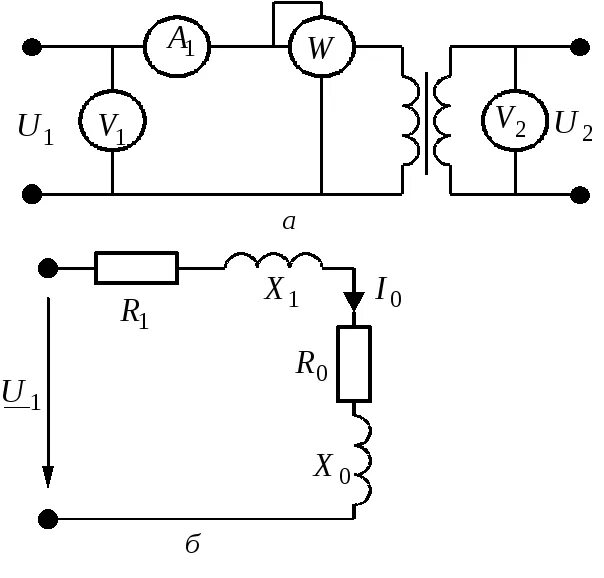
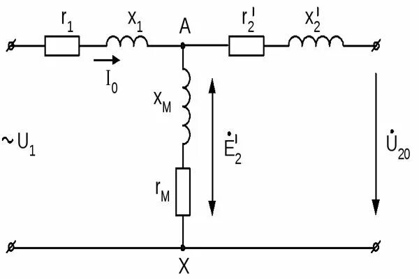
Схема замещения холостого хода