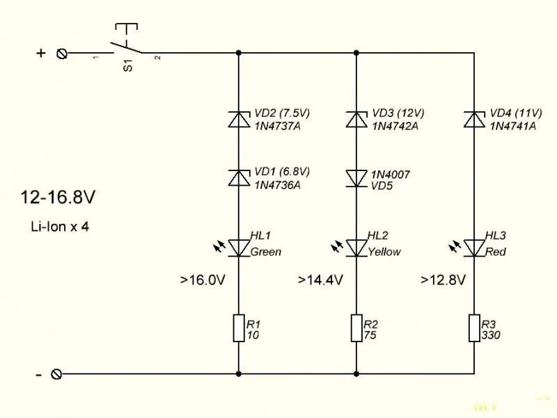
Схемы индикаторов заряда аккумулятора