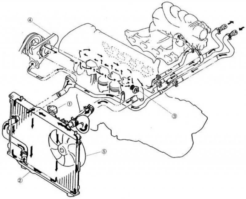
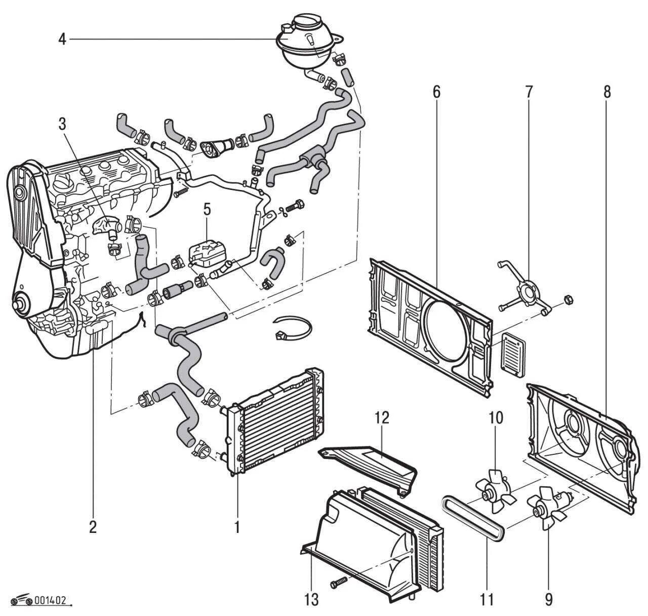
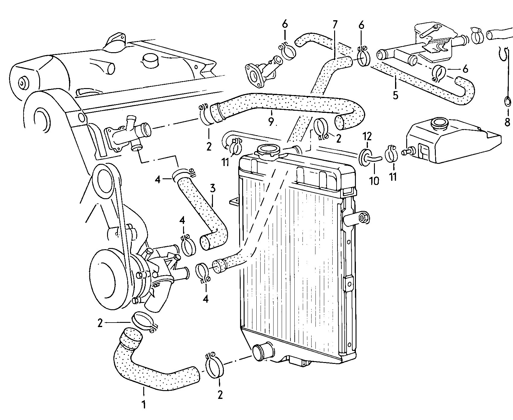
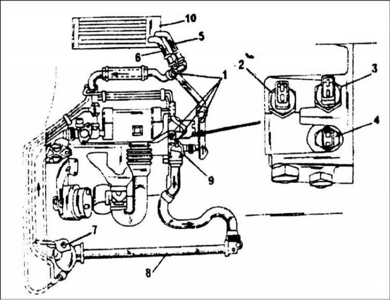
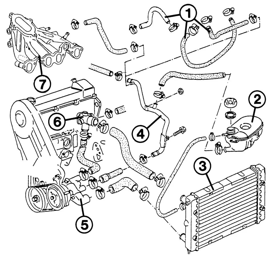
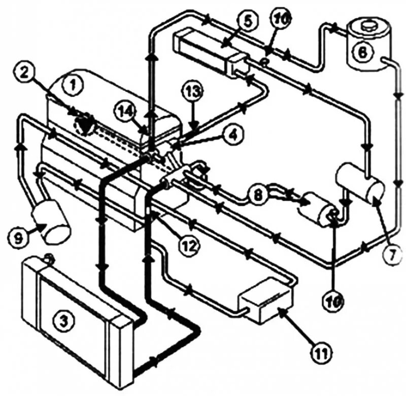
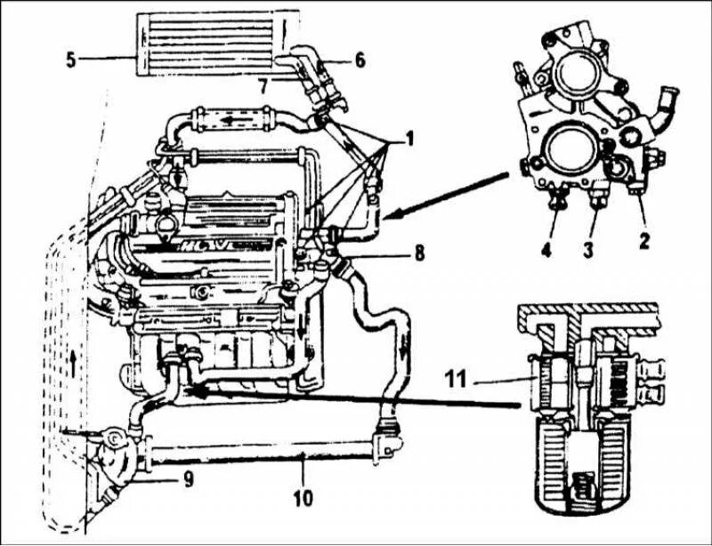
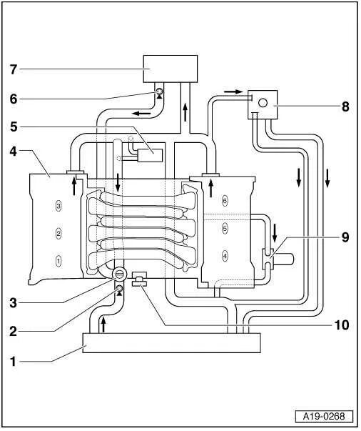
Система охлаждения двигателя 4 с