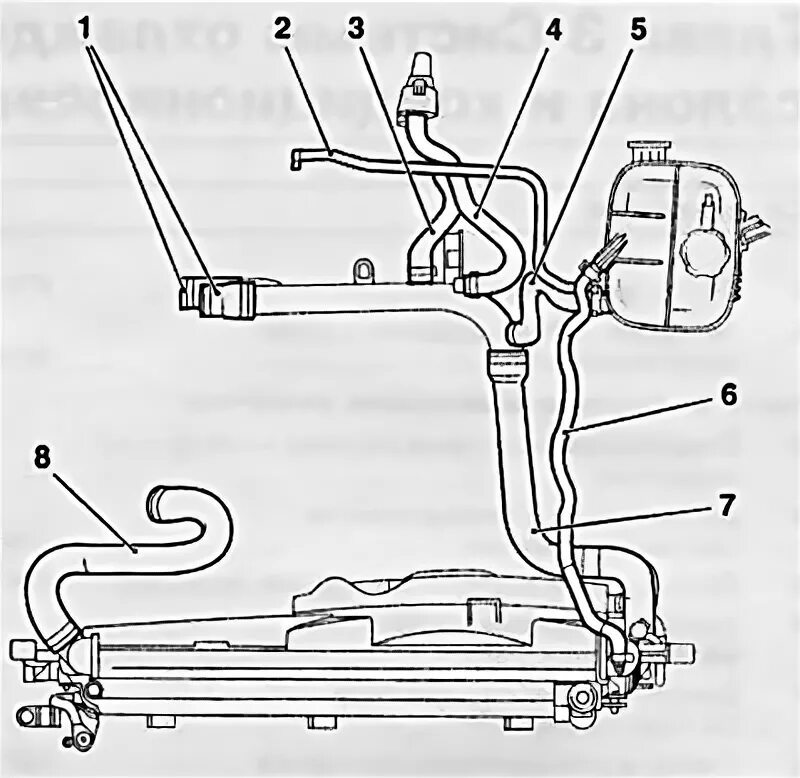
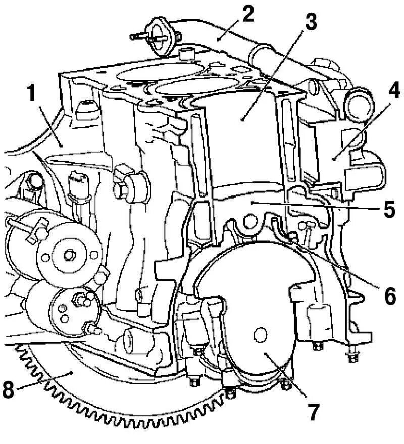
Система охлаждения z18xer