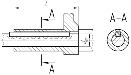
Соединение контрольных