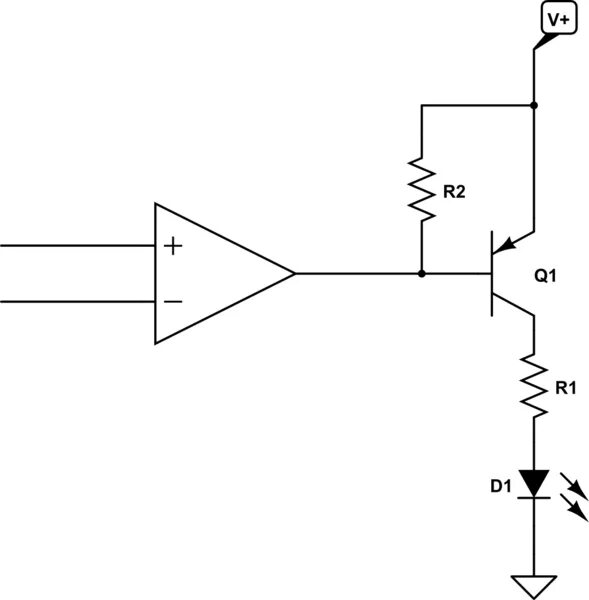
Sorted comparator