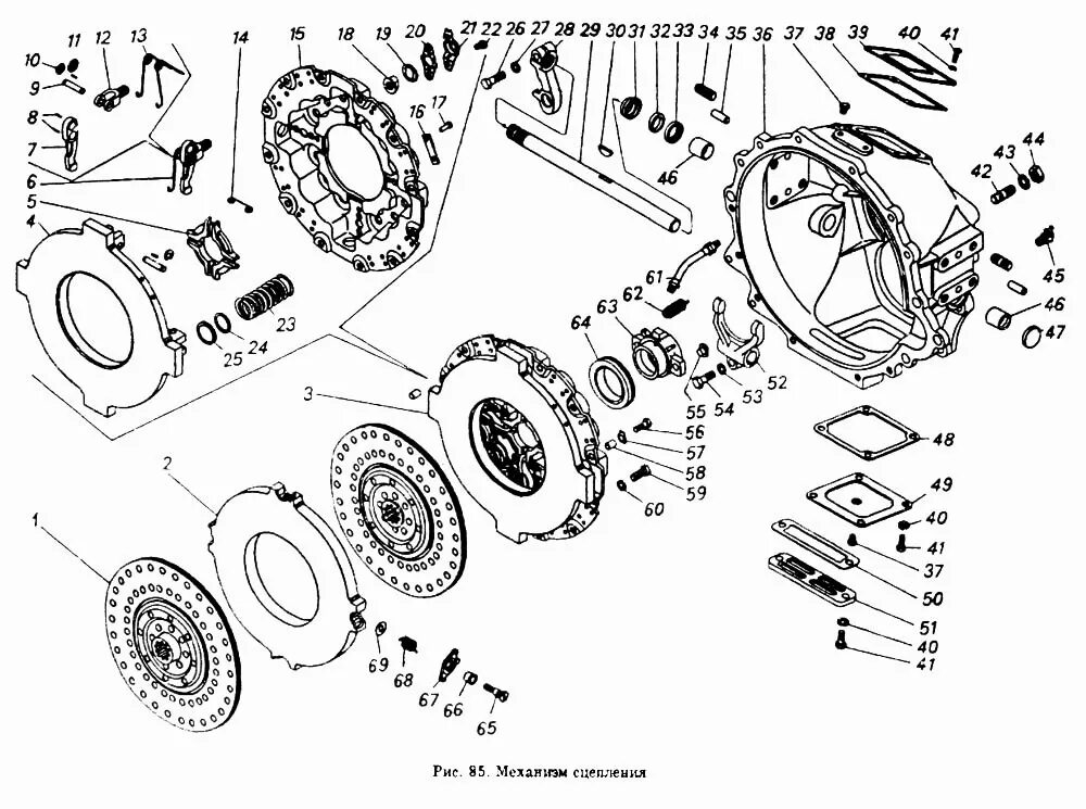
Сцепление двигателя камаз 740