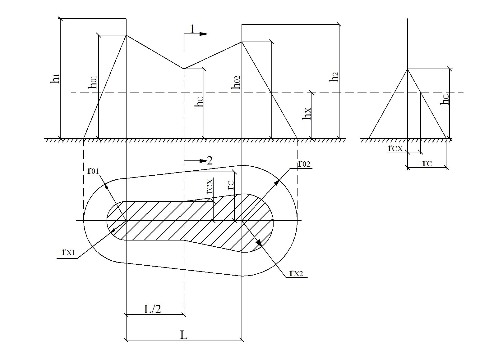
Тип зоны защиты