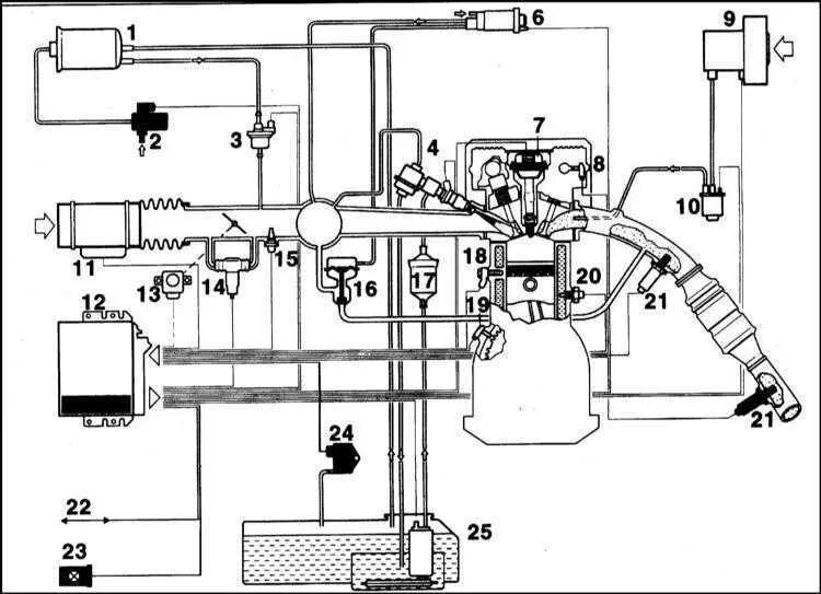
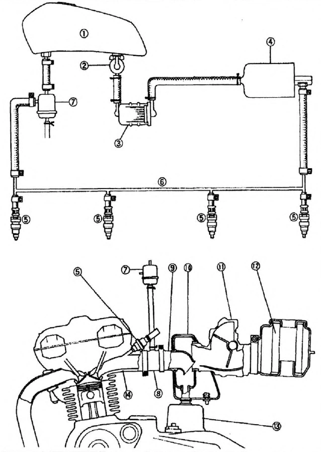
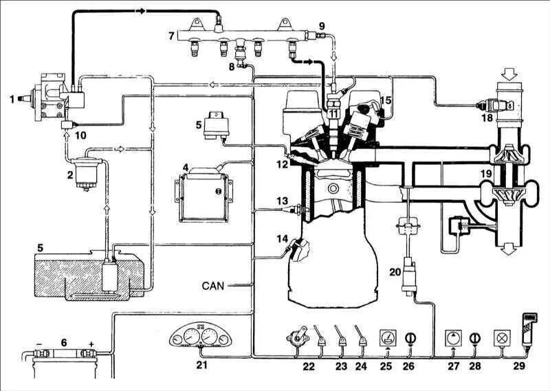
Топливная система впрыска двигателя