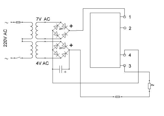
Трансформатор для выжигания по дереву