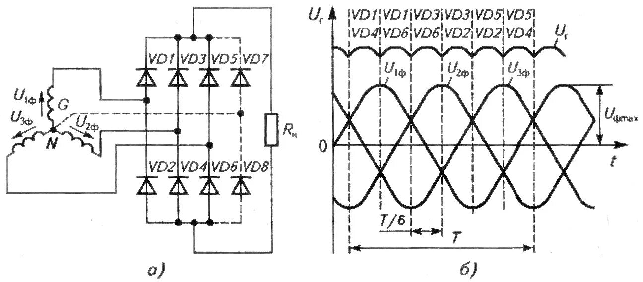
Трехфазное напряжение с активным