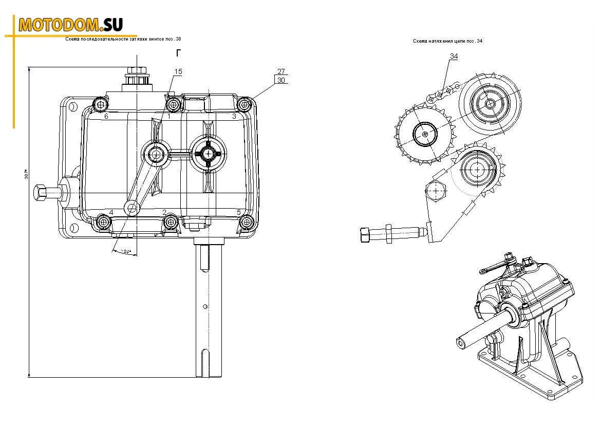
Установка реверс редуктора на мотобуксировщик