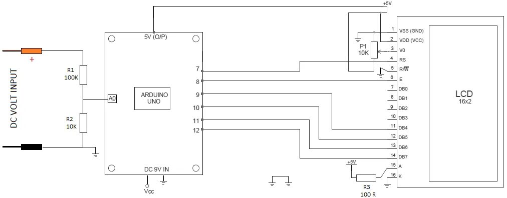
Вольтметр на ардуино