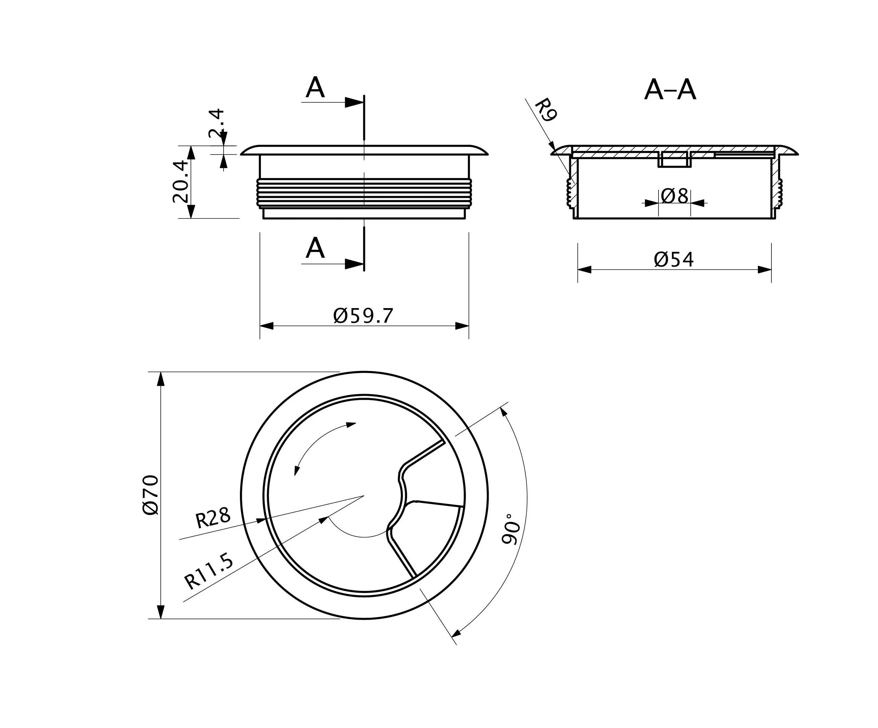
Вырез под провода