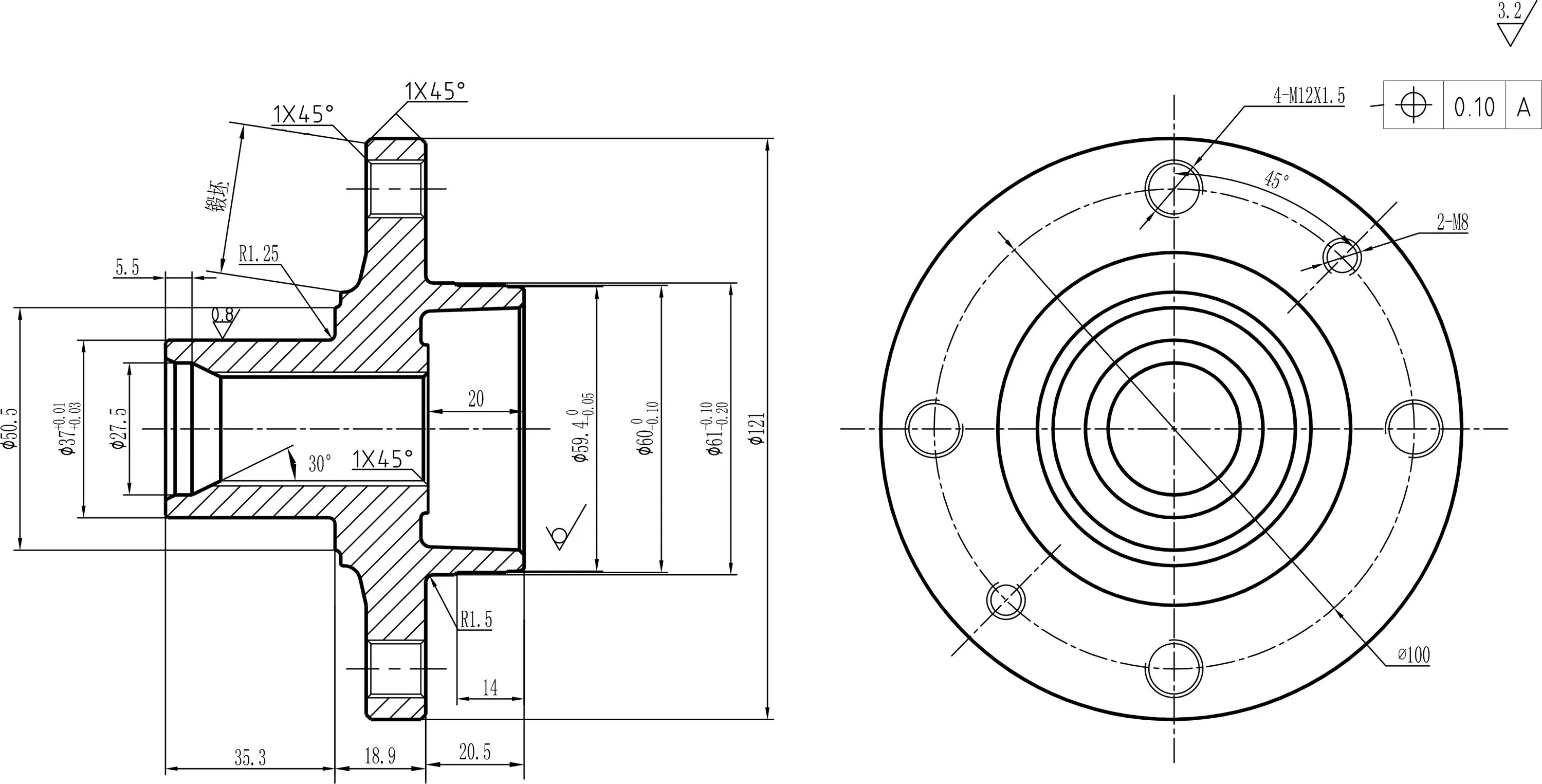
Задняя ступица рено логан размеры