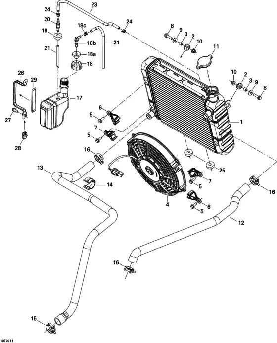
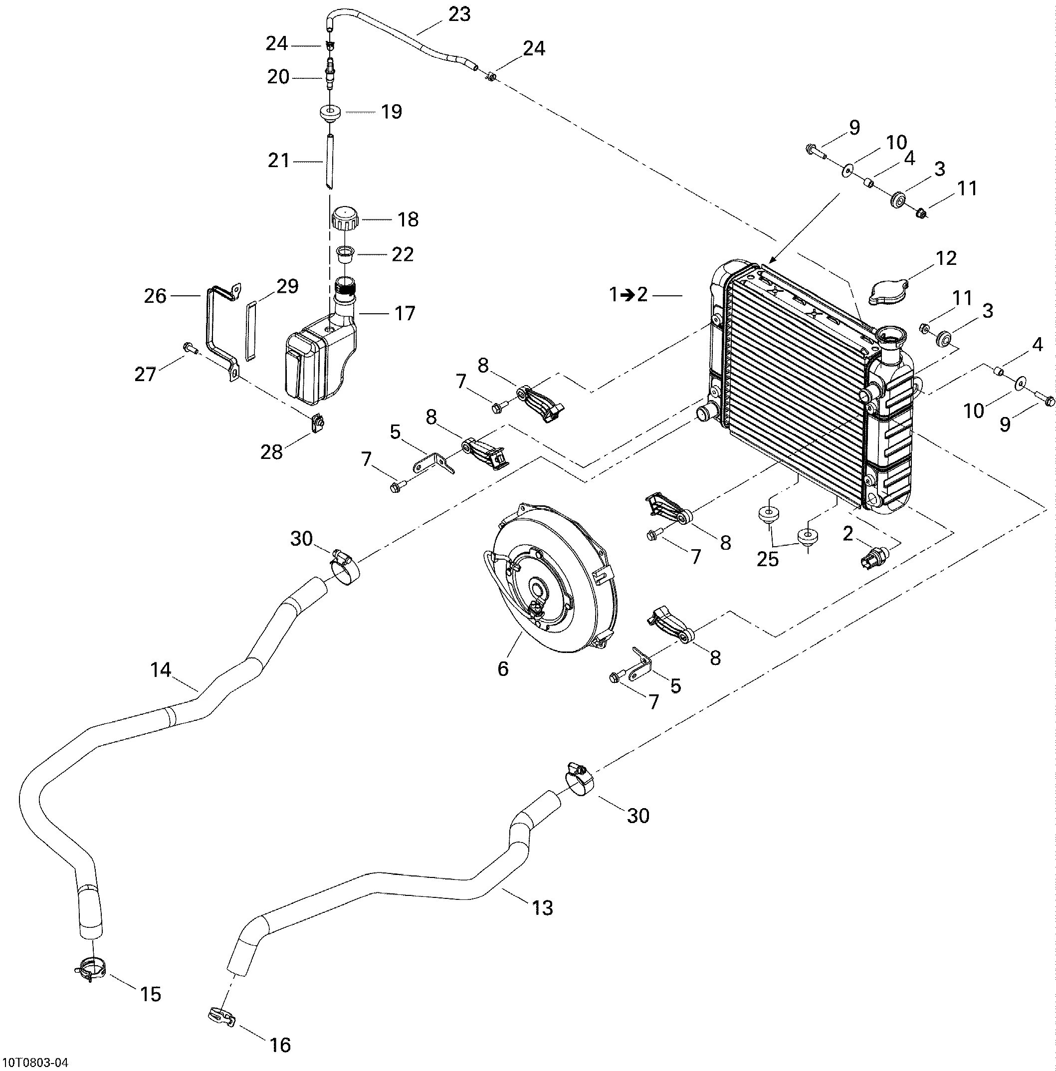
Запчасть системы охлаждения