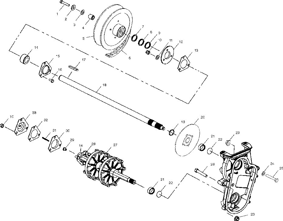
Запчасти на снегоход поларис