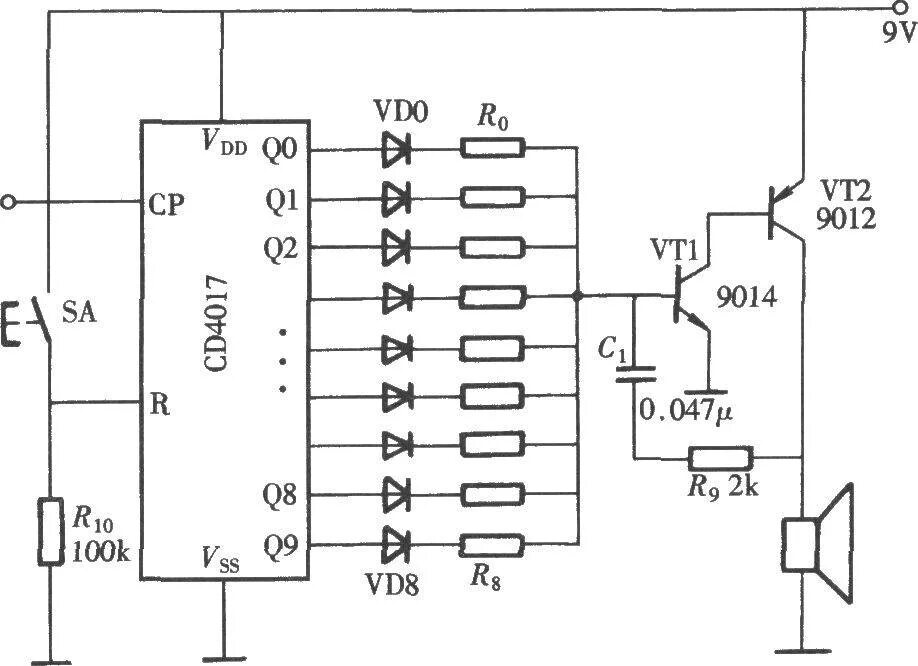
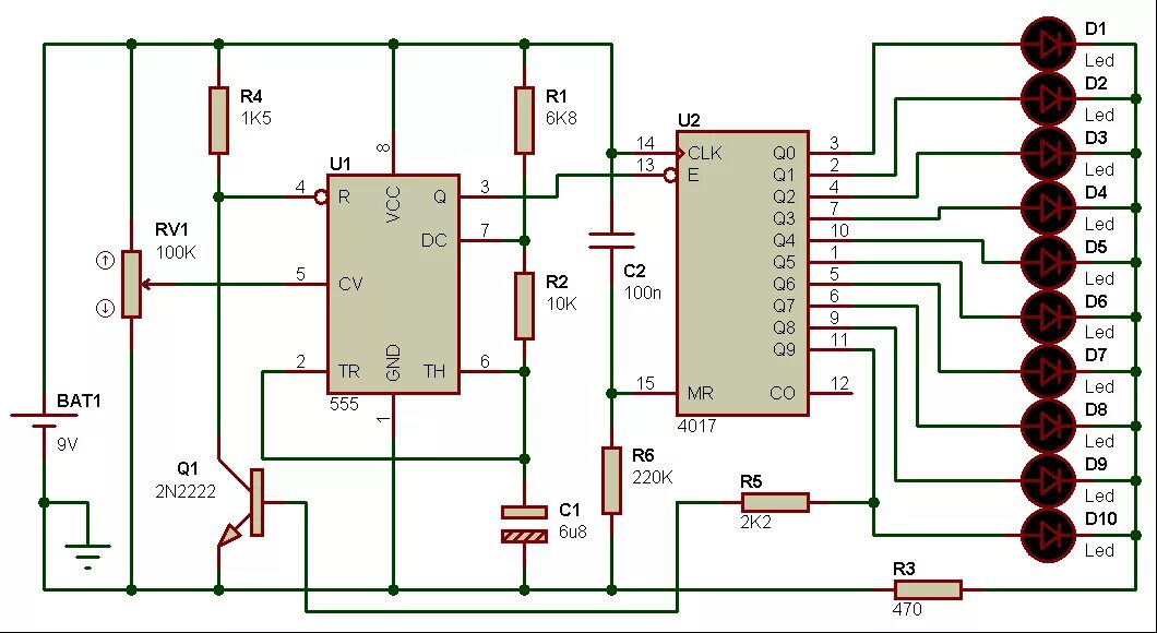
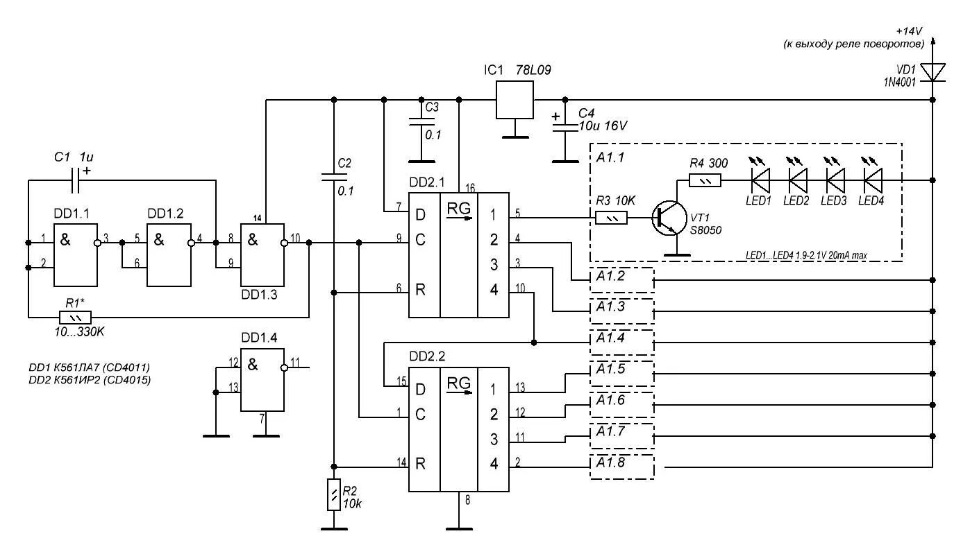
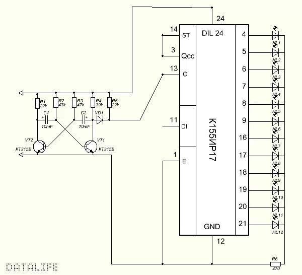
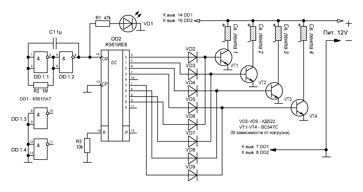
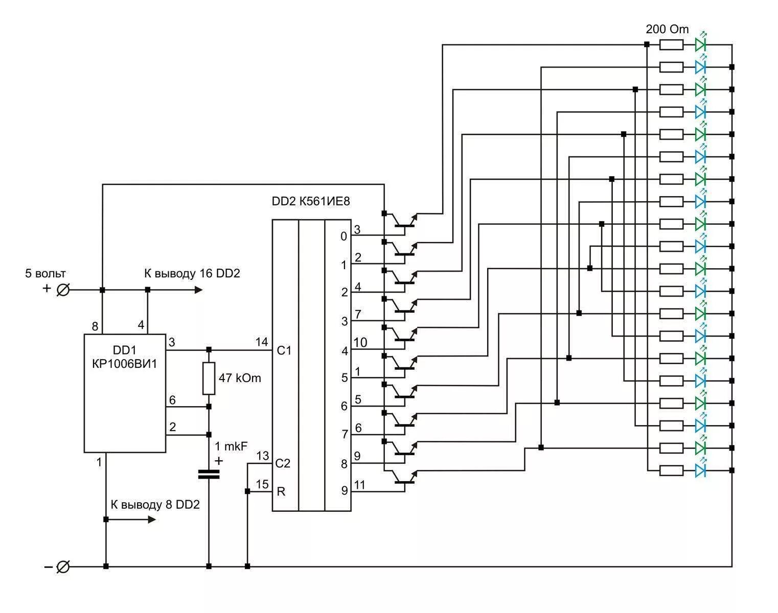
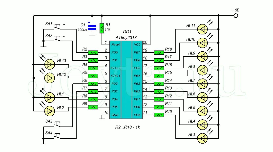
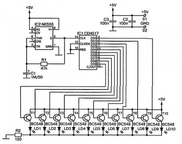
Схема бегущих огней на микросхеме