Главная
»
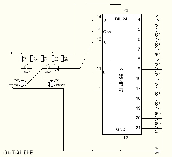
Схема бегущих огней на микросхеме
Схема бегущих огней на микросхеме. Схема бегущих огней на микросхеме
« Предыдущее
8 / 40
Следующее »