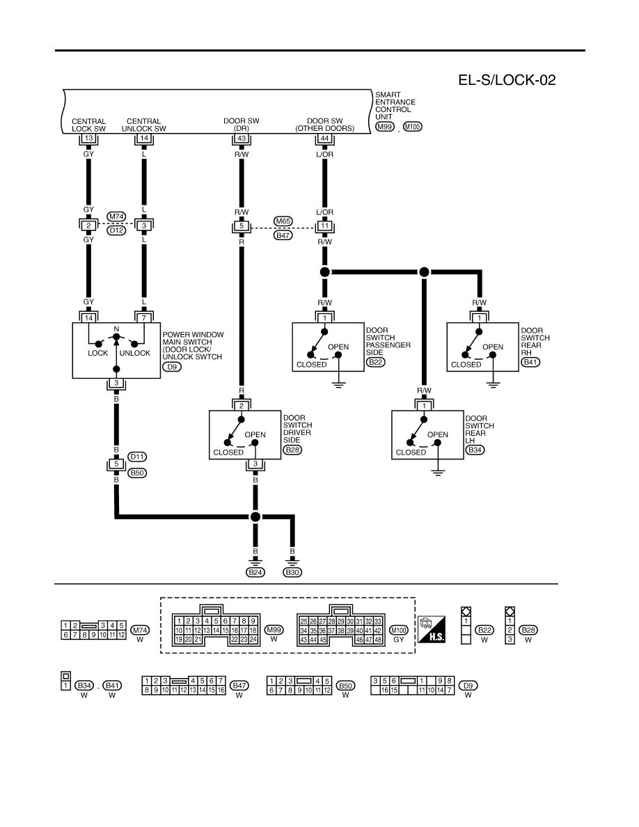
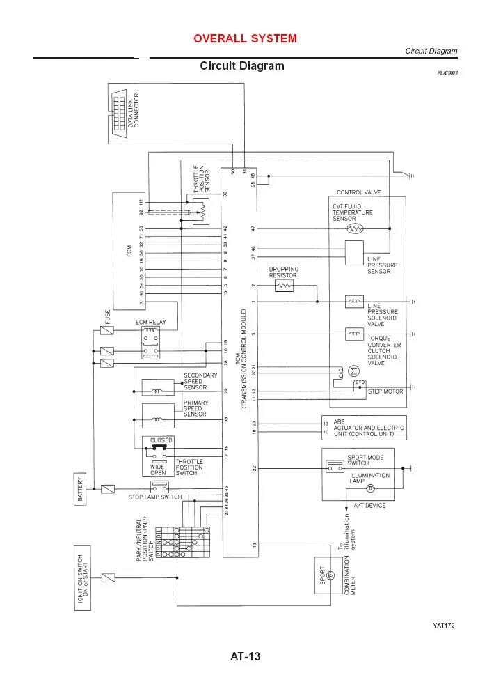
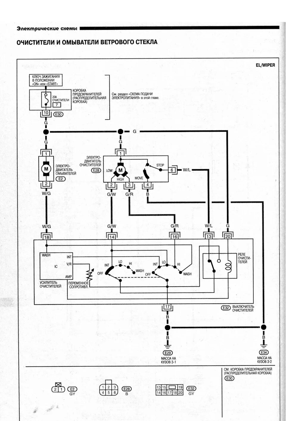
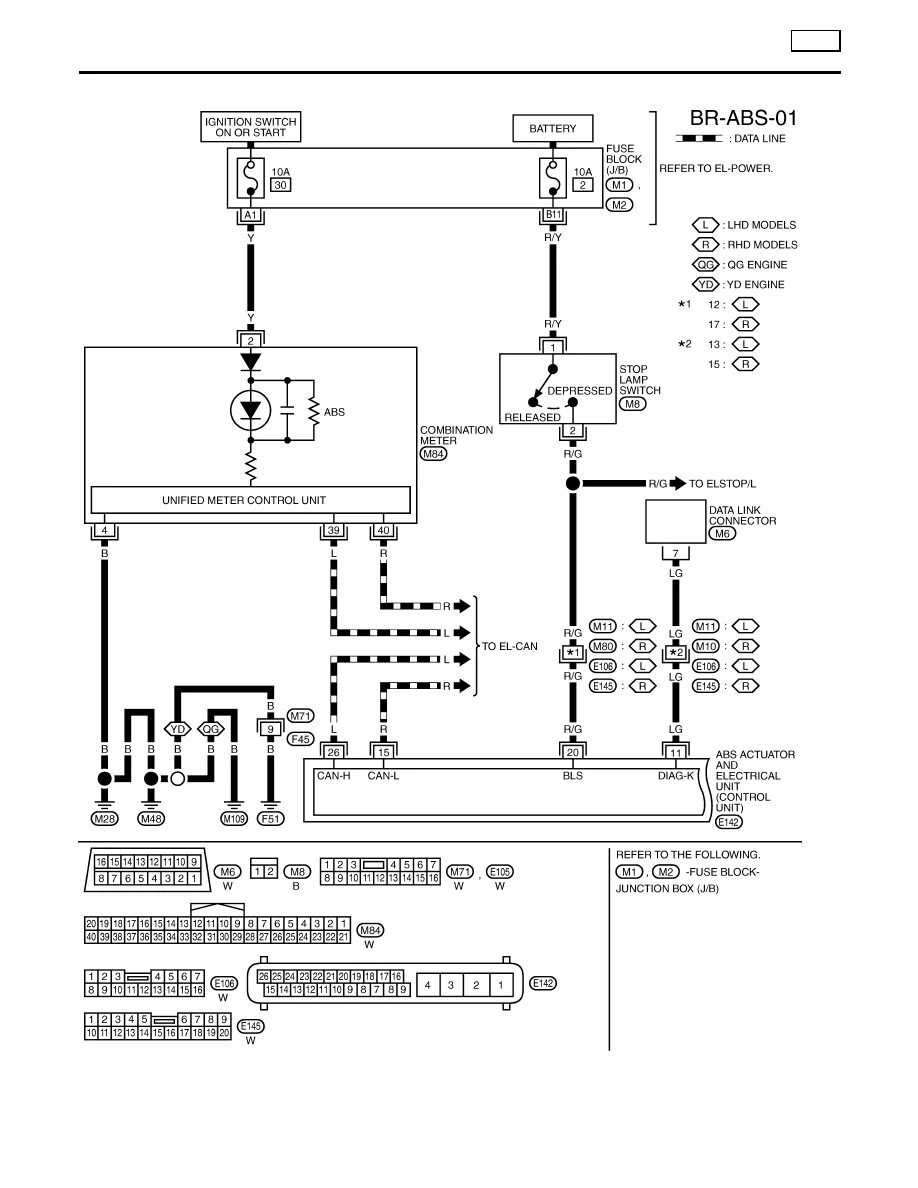
Схемы ниссан тино