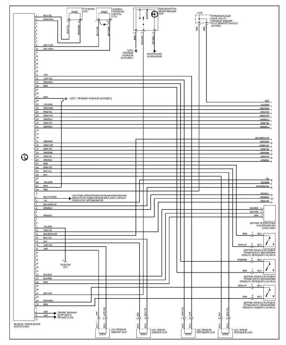
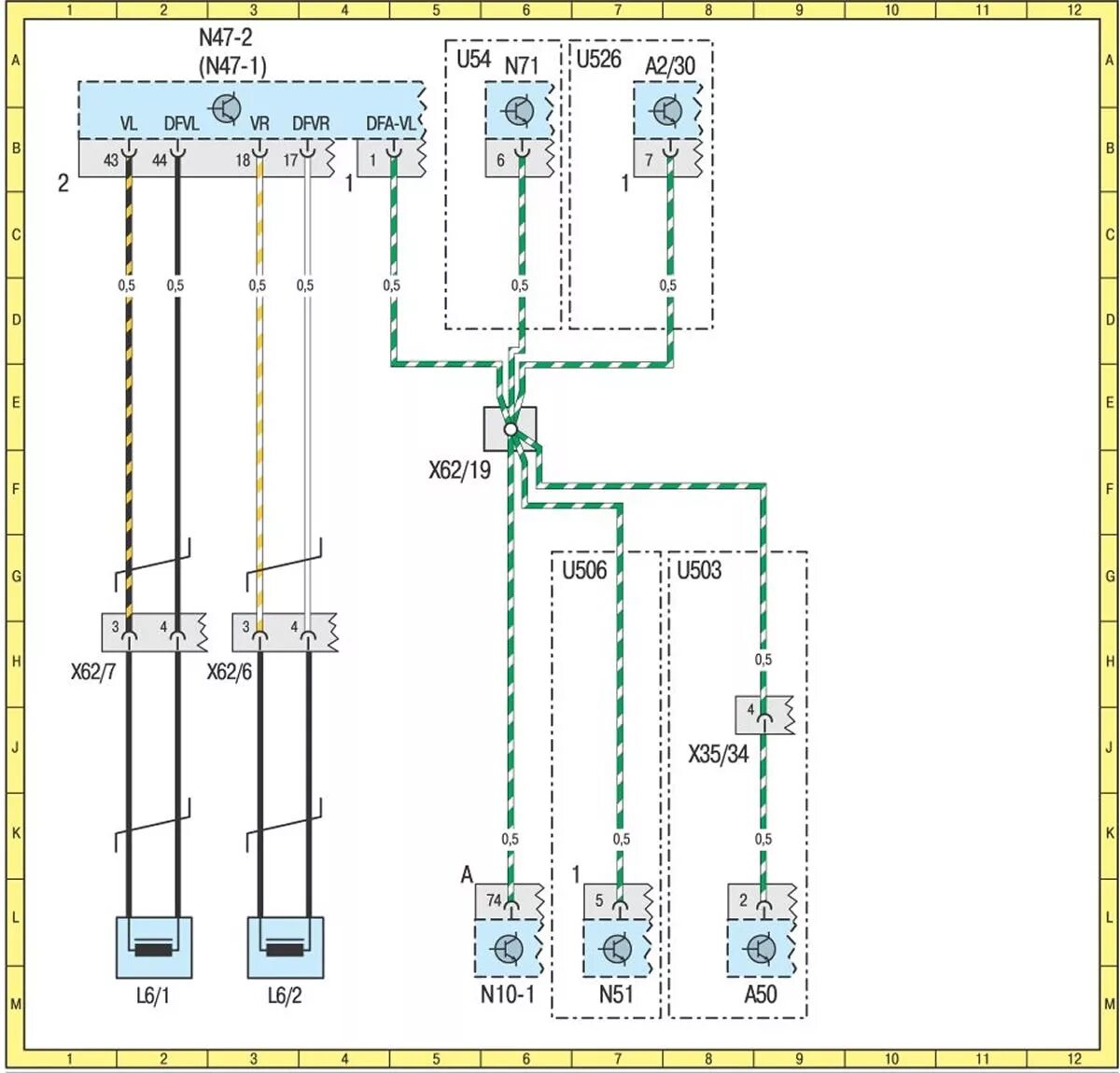
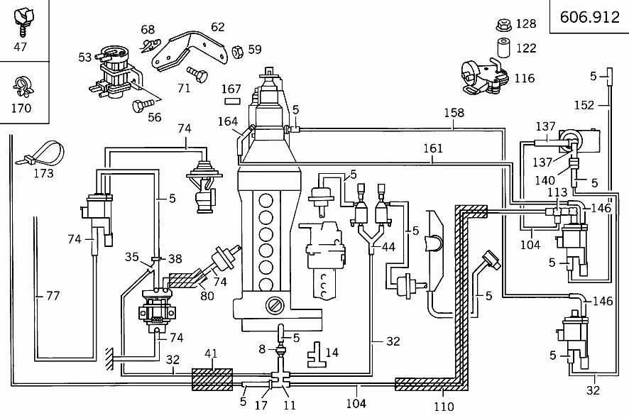
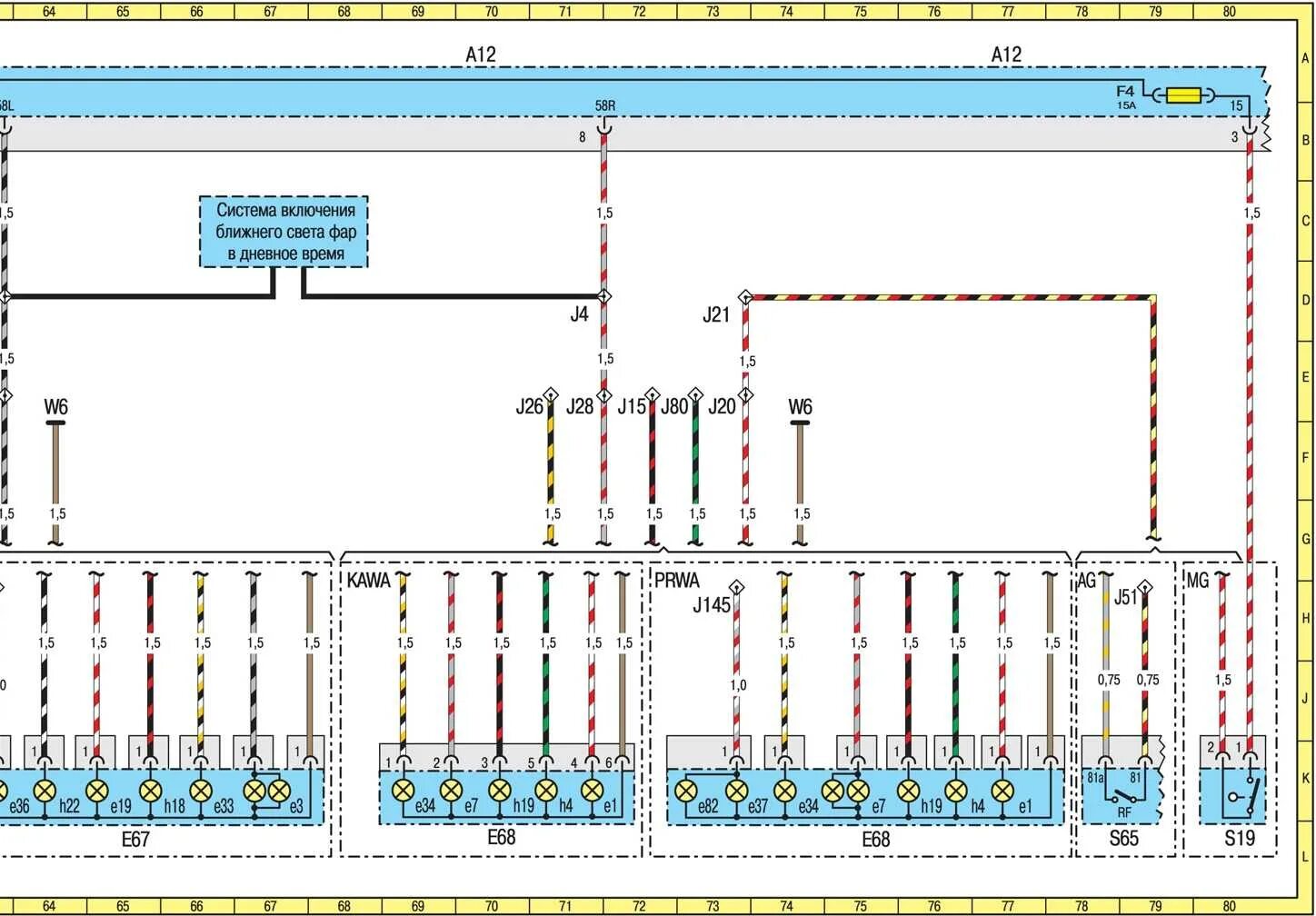
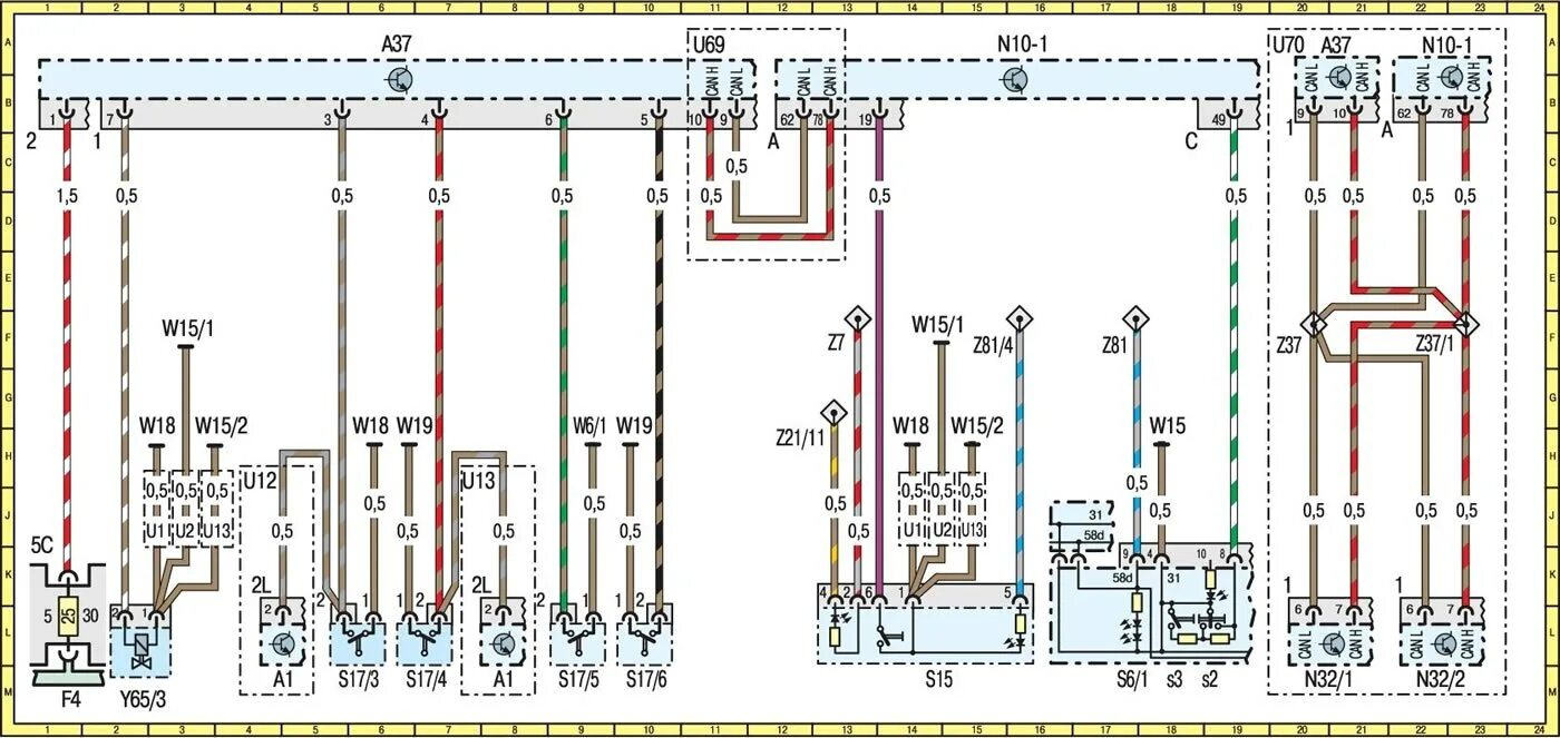
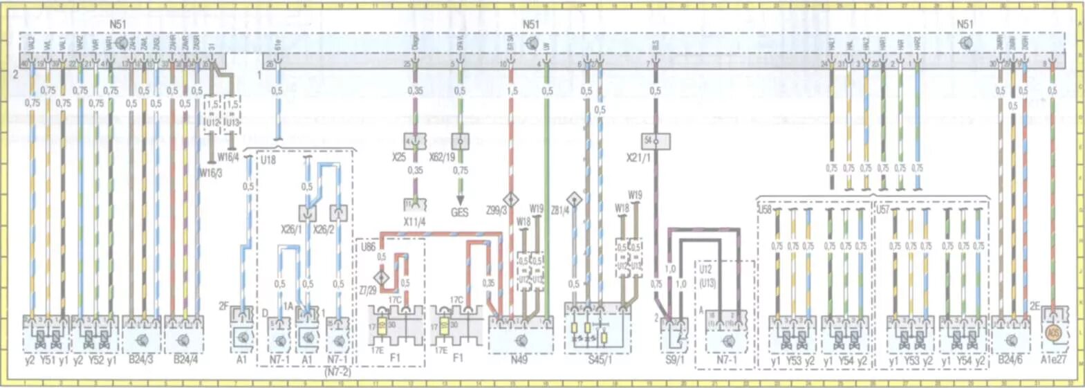
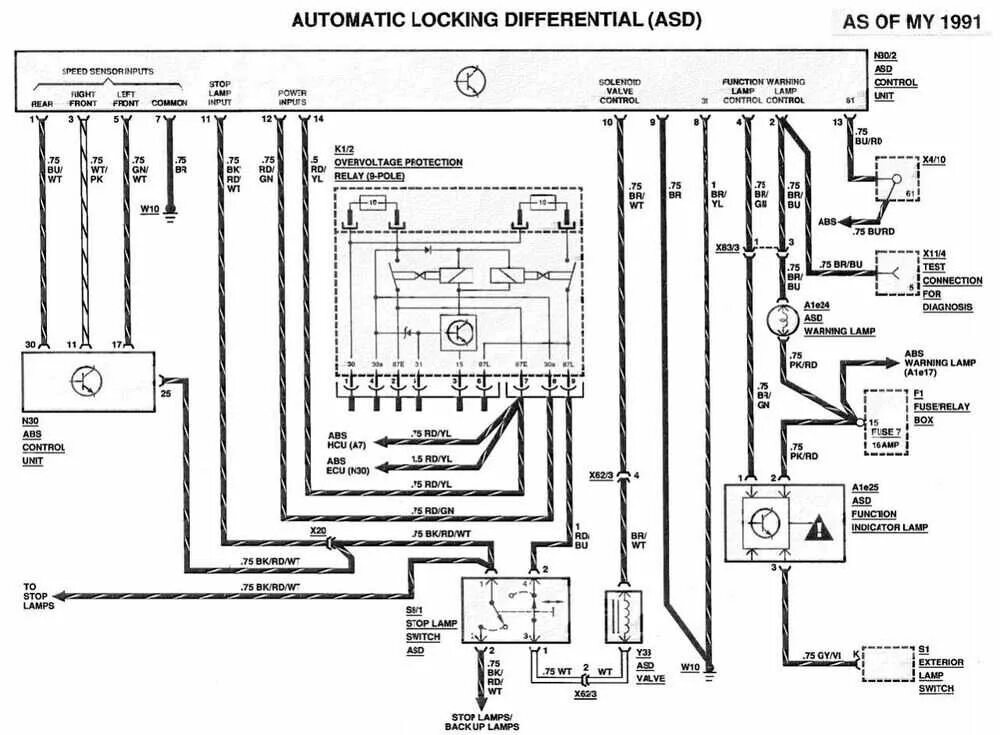
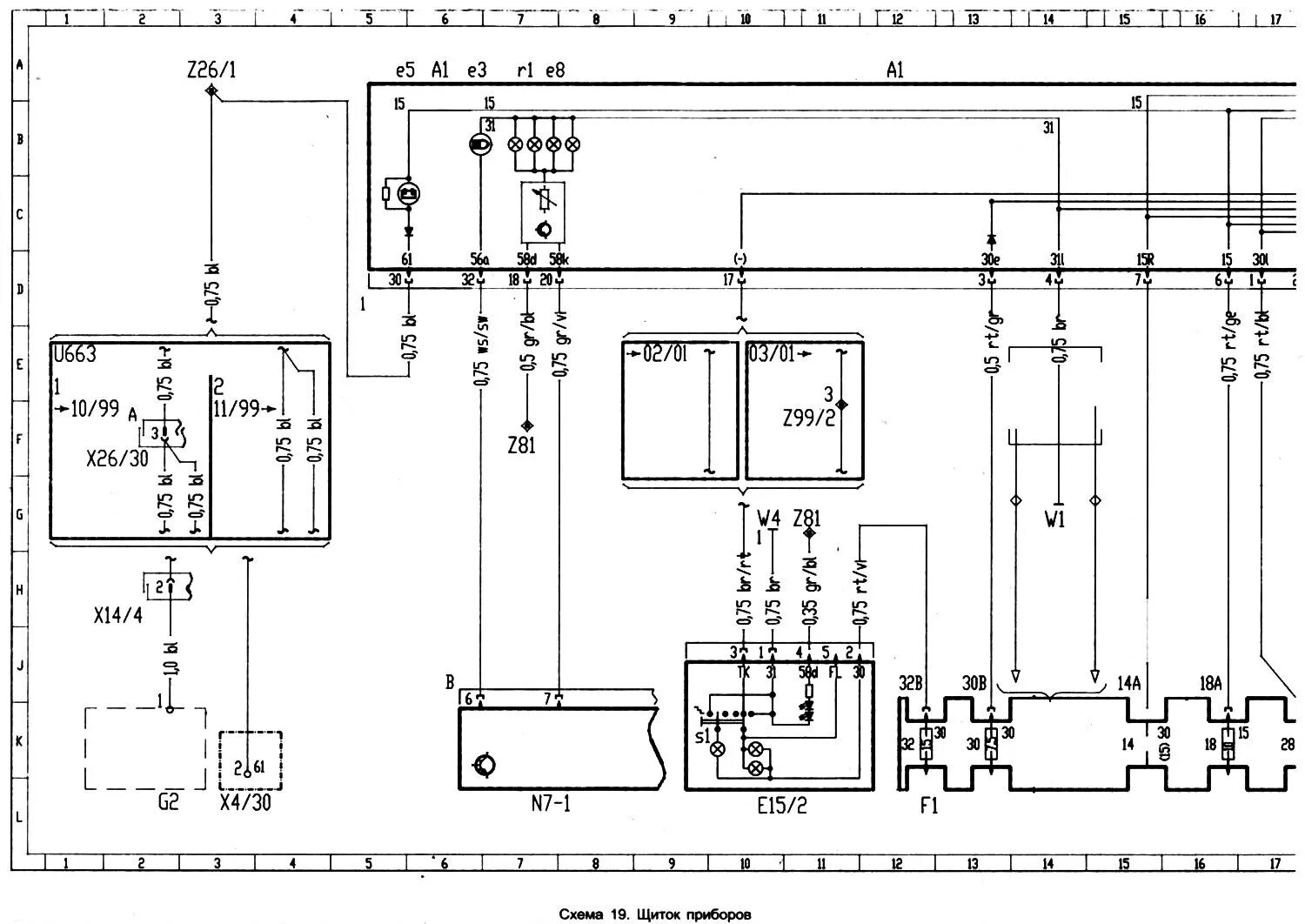
Схемы w210